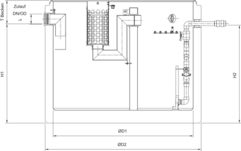
Oleolift-C
Produktvorteile
- Alles in Einem: Leichtflüssigkeitsabscheider, Schlammfang, Probenahmestelle, Pumpstation und Rückstauschutz
- Mit bauaufsichtlicher Zulassung
- Kein stufenweiser Einbau notwendig
- Schneller, platzsparender, einfacher und günstiger Einbau ohne Zwischenverrohrung
- Höchste Ausführungssicherheit
- Normlösung auf engstem Raum
Produktinformationen
- Separat zu bestellen:
- Zwei Pumpen mit Zugkette
- Schaltgerät
- Sensorset Oleolift
- Druckaufnehmer
- Schachtaufbau
Infobox
Betrachten Sie auch unsere Animation. Sie zeigt Ihnen die Funktionsweise des Abscheiders.
Spezialpumpen
Spezialpumpen
Freiluftschrank
Passend für
- Oleolift-C
Beschreibung
- Als Leergehäuse
- Abmessungen: 2000 x 1136 x 335 mm B x H x T
- Mit horizontaler Trennwand
- Bereich oberhalb der Trennwand: Platzreserve für ein bauseitiges Schaltgerät für Oleolift-C
- Bereich unterhalb der Trennwand: Platzreserve für eine bauseitige Rückstauschleife DN 50 – 200
- Preis 01.01.2025 in € (zzgl. Umsatzsteuer): 2745,00
- Rabattgruppe: PS
- Gewicht: 60 kg
Pumpenzugkette inkl. Schäkel
Passend für
- Oleolift-C
- Lipulift-C
- Fertigpumpstationen Powerlift
Beschreibung
- Aus Edelstahl
- Tragkraft 200 kg
- Preis 01.01.2025 in € (zzgl. Umsatzsteuer): 160,25
- Rabattgruppe: PS
- Aus Edelstahl
- Tragkraft 200 kg
- Länge: 4 m
- Gewicht: 16 kg
Pumpenzugkette inkl. Schäkel
Passend für
- Oleolift-C
- Lipulift-C
- Fertigpumpstationen Powerlift
Beschreibung
- Aus Edelstahl
- Tragkraft 200 kg
- Preis 01.01.2025 in € (zzgl. Umsatzsteuer): 319,50
- Rabattgruppe: PS
- Aus Edelstahl
- Tragkraft 200 kg
- Länge: 2 x 4 m
- Gewicht: 31 kg
Schaltgerät
Passend für
- Oleolift-C
- Lipulift-C
- Fertigpumpstationen Powerlift
Beschreibung
- Funktions- und Sicherheitsrelevant für Oleolift-C in Kombination mit Spezialpumpen
- Betriebsspannung: 400 V – Frequenz: 50 Hz
- Schutzart: IP 52
- Motorschutzschalter:
- Preis 01.01.2025 in € (zzgl. Umsatzsteuer): 5813,00
- Rabattgruppe: PS
- Funktions- und Sicherheitsrelevant für Oleolift-C in Kombination mit Spezialpumpen
- Betriebsspannung: 400 V – Frequenz: 50 Hz
- Schutzart: IP 52
- Motorschutzschalter:
- 2x 2,5-4 A für DRG 150/2/50 ex.
- Gewicht: 6 kg
Schaltgerät
Passend für
- Oleolift-C
- Lipulift-C
- Fertigpumpstationen Powerlift
Beschreibung
- Funktions- und Sicherheitsrelevant für Oleolift-C in Kombination mit Spezialpumpen
- Betriebsspannung: 400 V – Frequenz: 50 Hz
- Schutzart: IP 52
- Motorschutzschalter:
- Preis 01.01.2025 in € (zzgl. Umsatzsteuer): 5515,00
- Rabattgruppe: PS
- Funktions- und Sicherheitsrelevant für Oleolift-C in Kombination mit Spezialpumpen
- Betriebsspannung: 400 V – Frequenz: 50 Hz
- Schutzart: IP 52
- Motorschutzschalter:
- 2x 4-6 A für DRG 200/4/100 ex
- Gewicht: 6 kg
Schaltgerät
Passend für
- Oleolift-C
- Lipulift-C
- Fertigpumpstationen Powerlift
Beschreibung
- Funktions- und Sicherheitsrelevant für Oleolift-C in Kombination mit Spezialpumpen
- Betriebsspannung: 400 V – Frequenz: 50 Hz
- Schutzart: IP 52
- Motorschutzschalter:
- Preis 01.01.2025 in € (zzgl. Umsatzsteuer): 5813,00
- Rabattgruppe: PS
- Funktions- und Sicherheitsrelevant für Oleolift-C in Kombination mit Spezialpumpen
- Betriebsspannung: 400 V – Frequenz: 50 Hz
- Schutzart: IP 52
- Motorschutzschalter:
- 2 x 6-10 A für DRG 550/4/80 ex.
- Gewicht: 6 kg
Sensor-Set Oleolift-C
Passend für
- Oleolift-C
- Lipulift-C
- Fertigpumpstationen Powerlift
Beschreibung
- Innovativer Verschlussmechanismus
- Aufstausensor und Ölfühler
- Preis 01.01.2025 in € (zzgl. Umsatzsteuer): 1485,00
- Rabattgruppe: ZZ
- Gewicht: 2 kg
Signalanlage zu Schaltgerät Multi Control Duo
Passend für
- Oleolift-C
- Lipulift-C
- Fertigpumpstation Powerlift
- Schaltkasten Multi Control Mono und Duo
Beschreibung
- Preis 01.01.2025 in € (zzgl. Umsatzsteuer): 364,75
- Rabattgruppe: PS
- Selbstaufladend
- Mit potentialfreiem Kontakt
- Optisch und akustisch
- Ohne Kontaktgeber
- Zur Montage außerhalb des Ex-Bereiches
- Abmessungen: 175 x 125 x 75 mm B x H x T
- Schutzart: IP65
- Betriebsspannung: 230 V/AC 50/60 Hz
- Steckerfertig mit Kabel: 2 m
- Gewicht: 0,8 kg
Druckaufnehmer FMX 21
Druckaufnehmer FMX 21
Druckaufnehmer FMX 21
Spezialpumpen
Spezialpumpen
Freiluftschrank
Passend für
- Oleolift-C
Beschreibung
- Als Leergehäuse
- Abmessungen: 2000 x 1136 x 335 mm B x H x T
- Mit horizontaler Trennwand
- Bereich oberhalb der Trennwand: Platzreserve für ein bauseitiges Schaltgerät für Oleolift-C
- Bereich unterhalb der Trennwand: Platzreserve für eine bauseitige Rückstauschleife DN 50 – 200
- Preis 01.01.2025 in € (zzgl. Umsatzsteuer): 2745,00
- Rabattgruppe: PS
- Gewicht: 60 kg
Pumpenzugkette inkl. Schäkel
Passend für
- Oleolift-C
- Lipulift-C
- Fertigpumpstationen Powerlift
Beschreibung
- Aus Edelstahl
- Tragkraft 200 kg
- Preis 01.01.2025 in € (zzgl. Umsatzsteuer): 160,25
- Rabattgruppe: PS
- Aus Edelstahl
- Tragkraft 200 kg
- Länge: 4 m
- Gewicht: 16 kg
Pumpenzugkette inkl. Schäkel
Passend für
- Oleolift-C
- Lipulift-C
- Fertigpumpstationen Powerlift
Beschreibung
- Aus Edelstahl
- Tragkraft 200 kg
- Preis 01.01.2025 in € (zzgl. Umsatzsteuer): 319,50
- Rabattgruppe: PS
- Aus Edelstahl
- Tragkraft 200 kg
- Länge: 2 x 4 m
- Gewicht: 31 kg
Schaltgerät
Passend für
- Oleolift-C
- Lipulift-C
- Fertigpumpstationen Powerlift
Beschreibung
- Funktions- und Sicherheitsrelevant für Oleolift-C in Kombination mit Spezialpumpen
- Betriebsspannung: 400 V – Frequenz: 50 Hz
- Schutzart: IP 52
- Motorschutzschalter:
- Preis 01.01.2025 in € (zzgl. Umsatzsteuer): 5813,00
- Rabattgruppe: PS
- Funktions- und Sicherheitsrelevant für Oleolift-C in Kombination mit Spezialpumpen
- Betriebsspannung: 400 V – Frequenz: 50 Hz
- Schutzart: IP 52
- Motorschutzschalter:
- 2x 2,5-4 A für DRG 150/2/50 ex.
- Gewicht: 6 kg
Schaltgerät
Passend für
- Oleolift-C
- Lipulift-C
- Fertigpumpstationen Powerlift
Beschreibung
- Funktions- und Sicherheitsrelevant für Oleolift-C in Kombination mit Spezialpumpen
- Betriebsspannung: 400 V – Frequenz: 50 Hz
- Schutzart: IP 52
- Motorschutzschalter:
- Preis 01.01.2025 in € (zzgl. Umsatzsteuer): 5515,00
- Rabattgruppe: PS
- Funktions- und Sicherheitsrelevant für Oleolift-C in Kombination mit Spezialpumpen
- Betriebsspannung: 400 V – Frequenz: 50 Hz
- Schutzart: IP 52
- Motorschutzschalter:
- 2x 4-6 A für DRG 200/4/100 ex
- Gewicht: 6 kg
Schaltgerät
Passend für
- Oleolift-C
- Lipulift-C
- Fertigpumpstationen Powerlift
Beschreibung
- Funktions- und Sicherheitsrelevant für Oleolift-C in Kombination mit Spezialpumpen
- Betriebsspannung: 400 V – Frequenz: 50 Hz
- Schutzart: IP 52
- Motorschutzschalter:
- Preis 01.01.2025 in € (zzgl. Umsatzsteuer): 5813,00
- Rabattgruppe: PS
- Funktions- und Sicherheitsrelevant für Oleolift-C in Kombination mit Spezialpumpen
- Betriebsspannung: 400 V – Frequenz: 50 Hz
- Schutzart: IP 52
- Motorschutzschalter:
- 2 x 6-10 A für DRG 550/4/80 ex.
- Gewicht: 6 kg
Sensor-Set Oleolift-C
Passend für
- Oleolift-C
- Lipulift-C
- Fertigpumpstationen Powerlift
Beschreibung
- Innovativer Verschlussmechanismus
- Aufstausensor und Ölfühler
- Preis 01.01.2025 in € (zzgl. Umsatzsteuer): 1485,00
- Rabattgruppe: ZZ
- Gewicht: 2 kg
Signalanlage zu Schaltgerät Multi Control Duo
Passend für
- Oleolift-C
- Lipulift-C
- Fertigpumpstation Powerlift
- Schaltkasten Multi Control Mono und Duo
Beschreibung
- Preis 01.01.2025 in € (zzgl. Umsatzsteuer): 364,75
- Rabattgruppe: PS
- Selbstaufladend
- Mit potentialfreiem Kontakt
- Optisch und akustisch
- Ohne Kontaktgeber
- Zur Montage außerhalb des Ex-Bereiches
- Abmessungen: 175 x 125 x 75 mm B x H x T
- Schutzart: IP65
- Betriebsspannung: 230 V/AC 50/60 Hz
- Steckerfertig mit Kabel: 2 m
- Gewicht: 0,8 kg
Druckaufnehmer FMX 21
Druckaufnehmer FMX 21
Druckaufnehmer FMX 21









