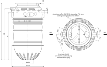
Lipumax-P manuelle Innenreinigung DM
Produktvorteile
- Entsprechend Güte- und Prüfbestimmungen Gütesicherung Abscheideranlagen RAL-GZ 693
- Schacht auftriebssicher bis Oberkante Gelände ohne bauseitige Betonarbeiten
- Statische Typprüfung für 50 Jahre Standsicherheit
Produktinformationen
- Fettabscheideranlage gemäß DIN EN 1825 und DIN 4040‑100
- Zum Einbau ins Erdreich
- Aus Kunststoff
- Entsorgung über Absaugleitung DN 65 PN 10
- Fülleinheit mit Kugelhahn (Anschluss R ¾") für manuelle Wiederbefüllung
- Hydromechanische Innenreinigung:
- 360° Reinigung über 2 Achsen mit Hochdruckspühlkopf aus Edelstahl
- Hochdruckpumpe mit Vorratsbehälter zur Installation im Gebäude mit Kaltwasseranschluss
- Manuelle Bedienung der Hochdruckinnenreinigung mit Pumpe:
- Nenndruck: 175 bar
- Volumenstrom: 13 l/min
- Anschlüsse für Zu- und Ablauf gemäß DIN 19534 und DIN 19537
- Aufsatzstück für Lipumax-P zwingend erforderlich
Infobox
BIM
Die aktuellste BIM Revit Version finden Sie direkt am Produkt.
Weitere Revit Versionen finden Sie unter: BIM.

Aufsatzsysteme für Abscheider

Probenahmeschächte Set 450

Probenahmeschächte Grundkörper 800

Entsorgungsschächte

ACO Serviceleistungen
Fettschichtdicken-Messgerät
Passend für
- Lipumax-P
- Lipumax-C
- Kabellänge: 10 m
Beschreibung
- Zur elektronischen Messung der Fettschicht
- Geeignet für flüssige und/oder aushärtende Fette
- Auswertegerät mit steckerfertigem Anschlusskabel, Länge: 3 m
- Mit zwei potenzialfreien Wechslerkontakten zur Anzeige Vollmeldung (100 %) und Vorwarnung des Vollzustandes (80 %)
- Mit optischer Anzeige des Füllstandes für Vorwarnung und Vollmeldung
- Mit beheiztem Sondenstab zur Erhöhung der Betriebssicherheit
- Betriebsspannung: 230 V/50 Hz
- Max. Verbrauch ca. 12 W
- Preis 01.01.2026 in € (zzgl. Umsatzsteuer): 2110,00
- Rabattgruppe: FA
- Gewicht: 2 kg
Fettschichtdicken-Messgerät
Passend für
- Lipumax-P
- Lipumax-C
- Kabellänge: 20 m
Beschreibung
- Zur elektronischen Messung der Fettschicht
- Geeignet für flüssige und/oder aushärtende Fette
- Auswertegerät mit steckerfertigem Anschlusskabel, Länge: 3 m
- Mit zwei potenzialfreien Wechslerkontakten zur Anzeige Vollmeldung (100 %) und Vorwarnung des Vollzustandes (80 %)
- Mit optischer Anzeige des Füllstandes für Vorwarnung und Vollmeldung
- Mit beheiztem Sondenstab zur Erhöhung der Betriebssicherheit
- Betriebsspannung: 230 V/50 Hz
- Max. Verbrauch ca. 12 W
- Preis 01.01.2026 in € (zzgl. Umsatzsteuer): 2225,00
- Rabattgruppe: FA
- Gewicht: 2,5 kg
Fettschichtdicken-Messgerät
Passend für
- Lipumax-P
- Lipumax-C
- Kabellänge: 30 m
Beschreibung
- Zur elektronischen Messung der Fettschicht
- Geeignet für flüssige und/oder aushärtende Fette
- Auswertegerät mit steckerfertigem Anschlusskabel, Länge: 3 m
- Mit zwei potenzialfreien Wechslerkontakten zur Anzeige Vollmeldung (100 %) und Vorwarnung des Vollzustandes (80 %)
- Mit optischer Anzeige des Füllstandes für Vorwarnung und Vollmeldung
- Mit beheiztem Sondenstab zur Erhöhung der Betriebssicherheit
- Betriebsspannung: 230 V/50 Hz
- Max. Verbrauch ca. 12 W
- Preis 01.01.2026 in € (zzgl. Umsatzsteuer): 2340,00
- Rabattgruppe: FA
- Gewicht: 3 kg
Unterputzrahmen
Straßenkappe
Passend für
- Ausführung mit Direktabsaugung D
- Ausführung manuelle Innenreinigung DM
- Ausführung automatische Innenreinigung DA
Beschreibung
- Schachtabdeckung gemäß DIN EN 124/DIN 1229
- Belastungsklasse: A 15
- Rahmen und Deckel aus Gusseisen
- Durchmesser: 300 mm
- Lichte Weite: 250 mm
- Bauhöhe 100 mm
- Zu Saugleitung DN 80 von Lipumax-P
- Bestehend aus:
- Kurze PE-HD Anschlussleitung DN 65
- Storzkopplung B
- Blinddeckel B
- Preis 01.01.2026 in € (zzgl. Umsatzsteuer): Auf Anfrage
- Rabattgruppe:
- Gewicht: 10 kg
Waschschlauch
Passend für
- Ausführung manuelle Innenreinigung DM
- Ausführung automatische Innenreinigung DA
- Länge: 10 m
Beschreibung
- Zur Verbindung einer Hochdruckpumpe im Gebäude und Hochdruckreinigungskopf im Fettabscheider
- 1 SN 10 – 150 DKO/DKO-L‑90°
- Preis 01.01.2026 in € (zzgl. Umsatzsteuer): 430,00
- Rabattgruppe: FA
- Gewicht: 10 kg
Waschschlauch
Passend für
- Ausführung manuelle Innenreinigung DM
- Ausführung automatische Innenreinigung DA
- Länge: 20 m
Beschreibung
- Zur Verbindung einer Hochdruckpumpe im Gebäude und Hochdruckreinigungskopf im Fettabscheider
- 1 SN 10 – 150 DKO/DKO-L‑90°
- Preis 01.01.2026 in € (zzgl. Umsatzsteuer): 865,00
- Rabattgruppe: FA
- Gewicht: 19 kg
Waschschlauch
Passend für
- Ausführung manuelle Innenreinigung DM
- Ausführung automatische Innenreinigung DA
- Länge: 30 m
Beschreibung
- Zur Verbindung einer Hochdruckpumpe im Gebäude und Hochdruckreinigungskopf im Fettabscheider
- 1 SN 10 – 150 DKO/DKO-L‑90°
- Preis 01.01.2026 in € (zzgl. Umsatzsteuer): 1300,00
- Rabattgruppe: FA
- Gewicht: 28 kg
Straßenkappe
Passend für
- Fettabscheider zum Erdeinbau
- LipuMax-P (P-D, P-DM, P-DA, P-DAP)
- LipuMax-PH (FIX und FLEX P-D, P-DA)
- LipuLift-P (alle)
- Leichtflüssigkeitsabscheider Coalisator-P
Beschreibung
- ACO Schachtabdeckung / Strassenkappe aus Gusseisen
- Belastungsklasse L 15
- Anwendung: Straßenkappe
- Rahmen und Deckel aus Gusseisen
- Gewicht: 6 kg
- Preis/Stk. UVP zzgl. USt. 2025 [€]: 181,45 €
- Rabattgruppe: 1
Straßenkappe
Passend für
- Fettabscheider zum Erdeinbau
- LipuMax-P (P-D, P-DM, P-DA, P-DAP)
- LipuMax-PH (FIX und FLEX P-D, P-DA)
- LipuLift-P (alle)
- Leichtflüssigkeitsabscheider Coalisator-P
Beschreibung
- Schachtabdeckung gemäß DIN EN 124/DIN 1229
- Belastungsklasse: A 15
- Rahmen und Deckel aus Gusseisen
- Bauform: rund, Durchmesser: 300 mm
- Lichte Weite: 250 mm
- Gewicht: 9,8 kg
- Preis/Stk. UVP zzgl. USt. 2025 [€]: 344,08 €
- Rabattgruppe: 1
Signalanlage mit GSM-Modul
Passend für
- Alle Fettabscheider
- Fettschichtdicken-Messgerät
- Vorbehälteranlage-duo
- Verfahrenstechnische Anlagen
- Fäkalien-Rückstauautomaten Quatrix-K Typ 3F
- Sinkamat-K (Unterflur) duo
- Muli-Hebeanlagen
- Pumpstationen
- Einbausets
Beschreibung
- Parametrisierbar per App (Android & iOs)
- Netzunabhängiger Alarm per 12V Bleigel-Akku
- Optische und Akustische Alarmmeldung
- Frei konfigurierbare Eingänge
- 6 digitale mit LED- Zustandsanzeige
- 1 analoger
- 1 Alarmausgang 12 V
- Weiterleitung der Alarms per SMS auf Mobiltelefone
- Zur Montage außerhalb des Ex-Bereiches
- Gehäuse: 192 x 150(mit Kabelverschraubung) x 100 mm (BxHxT)
- Schutzarzt: IP54
- Betriebsspannung: 230 V/AC 50/60 Hz
- Preis 01.01.2026 in € (zzgl. Umsatzsteuer): 1380,00
- Rabattgruppe: G1
- Gewicht: 2 kg
- Preis/Stk. UVP zzgl. USt. 2025 [€]: 1.378,82 €
- Rabattgruppe: 12
Verlängerungskabel für Antenne GSM Modul
Passend für
- GSM - Modul
Beschreibung
- Länge inkl. Anschlüsse: ca. 15 m
- Kabel-Typ: RG58
- Anschlüsse:1 x SMA Stecker (SMA/M) und 1 x SMA Buchse (SMA/F)
- Es darf pro GSM- Modul nur max. ein Verlängerungskabel verwendet werden
- Nutzbar im Temperaturbereich: -20°C bis 85°C
- Preis/Stk. UVP zzgl. USt. 2025 [€]: 166,47 €
- Rabattgruppe: 12
Anschlusskasten
Passend für
- Fettabscheider
- Stärkeabscheider
- LipuLift-P-D/-DA/-DAP
Beschreibung
- Für Entsorgungsanschluss und Fernbedienung
- Aus Edelstahl, Werkstoff 1.4301
- Anbringung: "Aufputz"
- Abmessung (Breite x Höhe x Tiefe): 500 x 500 x 160 mm
- Preis 01.01.2026 in € (zzgl. Umsatzsteuer): 1290,00
- Rabattgruppe: PS
- Gewicht: 11,6 kg
- Preis/Stk. UVP zzgl. USt. 2025 [€]: 1.074,84 €
- Rabattgruppe: 11
Unterputzrahmen
Anschlusskasten
Passend für
- Fettabscheider
- LipuMax-P-D/DM/DA
- LipuJet-P-OD/RD/SD/OM/OMP/RM/RMP
- LipuJet-S-OD/RD/SD/OM/OMP/RM/RMP
- Stärkeabscheider FapuMax-P-DA
- Leichtflüssigkeitsabscheider Coalisator-P
- LipuLift-P-D/-DA/-DAP
Beschreibung
- Für Entsorgungsanschluss DN 80
- Aus Edelstahl, Werkstoff 1.4301
- Ausführung "Aufputz"
- Türanschlag
- Wahlweise rechts oder links
- Tür abschließbar
- Abmessungen (Breite x Höhe x Tiefe): 370 x 330 x 250 mm
- Preis 01.01.2026 in € (zzgl. Umsatzsteuer): 1105,00
- Rabattgruppe: FA
- Gewicht: 10,4 kg
- Preis/Stk. UVP zzgl. USt. 2025 [€]: 966,27 €
- Rabattgruppe: 11
Unterputzrahmen
Waschschlauch 1 SN 10 - 150 DKO/DKO-L-90°
Passend für
- Fettabscheider zum Erdeinbau
- LipuMax-P-DM
- LipuMax-P-DA
- Stärkeabscheider FapuMax-P-DA zum Erdeinbau
- LipuLift-P-DA/-DAP
Beschreibung
- Zur Verbindung einer Hochdruckpumpe im Gebäude und Hochdruckreinigungskopf im Fettabscheider
- Preis 01.01.2026 in € (zzgl. Umsatzsteuer): 430,00
- Rabattgruppe: FA
- Zur Verbindung einer Hochdruckpumpe im Gebäude und Hochdruckreinigungskopf im Fettabscheider
- Länge: 10 m
- Gewicht: 10 kg
- Preis/Stk. UVP zzgl. USt. 2025 [€]: 437,54 €
- Rabattgruppe: 11
Waschschlauch 1 SN 10 - 150 DKO/DKO-L-90°
Passend für
- Fettabscheider zum Erdeinbau
- LipuMax-P-DM
- LipuMax-P-DA
- Stärkeabscheider FapuMax-P-DA zum Erdeinbau
- LipuLift-P-DA/-DAP
Beschreibung
- Zur Verbindung einer Hochdruckpumpe im Gebäude und Hochdruckreinigungskopf im Fettabscheider
- Preis 01.01.2026 in € (zzgl. Umsatzsteuer): 865,00
- Rabattgruppe: FA
- Zur Verbindung einer Hochdruckpumpe im Gebäude und Hochdruckreinigungskopf im Fettabscheider
- Länge: 20 m
- Gewicht: 10,3 kg
- Preis/Stk. UVP zzgl. USt. 2025 [€]: 872,90 €
- Rabattgruppe: 11
Waschschlauch 1 SN 10 - 150 DKO/DKO-L-90°
Passend für
- Fettabscheider zum Erdeinbau
- LipuMax-P-DM
- LipuMax-P-DA
- Stärkeabscheider FapuMax-P-DA zum Erdeinbau
- LipuLift-P-DA/-DAP
Beschreibung
- Zur Verbindung einer Hochdruckpumpe im Gebäude und Hochdruckreinigungskopf im Fettabscheider
- Preis 01.01.2026 in € (zzgl. Umsatzsteuer): 1300,00
- Rabattgruppe: FA
- Zur Verbindung einer Hochdruckpumpe im Gebäude und Hochdruckreinigungskopf im Fettabscheider
- Länge: 30 m
- Gewicht: 19 kg
- Preis/Stk. UVP zzgl. USt. 2025 [€]: 1.333,24 €
- Rabattgruppe: 11

Aufsatzsysteme für Abscheider

Probenahmeschächte Set 450

Probenahmeschächte Grundkörper 800

Entsorgungsschächte

ACO Serviceleistungen
Fettschichtdicken-Messgerät
Passend für
- Lipumax-P
- Lipumax-C
- Kabellänge: 10 m
Beschreibung
- Zur elektronischen Messung der Fettschicht
- Geeignet für flüssige und/oder aushärtende Fette
- Auswertegerät mit steckerfertigem Anschlusskabel, Länge: 3 m
- Mit zwei potenzialfreien Wechslerkontakten zur Anzeige Vollmeldung (100 %) und Vorwarnung des Vollzustandes (80 %)
- Mit optischer Anzeige des Füllstandes für Vorwarnung und Vollmeldung
- Mit beheiztem Sondenstab zur Erhöhung der Betriebssicherheit
- Betriebsspannung: 230 V/50 Hz
- Max. Verbrauch ca. 12 W
- Preis 01.01.2026 in € (zzgl. Umsatzsteuer): 2110,00
- Rabattgruppe: FA
- Gewicht: 2 kg
Fettschichtdicken-Messgerät
Passend für
- Lipumax-P
- Lipumax-C
- Kabellänge: 20 m
Beschreibung
- Zur elektronischen Messung der Fettschicht
- Geeignet für flüssige und/oder aushärtende Fette
- Auswertegerät mit steckerfertigem Anschlusskabel, Länge: 3 m
- Mit zwei potenzialfreien Wechslerkontakten zur Anzeige Vollmeldung (100 %) und Vorwarnung des Vollzustandes (80 %)
- Mit optischer Anzeige des Füllstandes für Vorwarnung und Vollmeldung
- Mit beheiztem Sondenstab zur Erhöhung der Betriebssicherheit
- Betriebsspannung: 230 V/50 Hz
- Max. Verbrauch ca. 12 W
- Preis 01.01.2026 in € (zzgl. Umsatzsteuer): 2225,00
- Rabattgruppe: FA
- Gewicht: 2,5 kg
Fettschichtdicken-Messgerät
Passend für
- Lipumax-P
- Lipumax-C
- Kabellänge: 30 m
Beschreibung
- Zur elektronischen Messung der Fettschicht
- Geeignet für flüssige und/oder aushärtende Fette
- Auswertegerät mit steckerfertigem Anschlusskabel, Länge: 3 m
- Mit zwei potenzialfreien Wechslerkontakten zur Anzeige Vollmeldung (100 %) und Vorwarnung des Vollzustandes (80 %)
- Mit optischer Anzeige des Füllstandes für Vorwarnung und Vollmeldung
- Mit beheiztem Sondenstab zur Erhöhung der Betriebssicherheit
- Betriebsspannung: 230 V/50 Hz
- Max. Verbrauch ca. 12 W
- Preis 01.01.2026 in € (zzgl. Umsatzsteuer): 2340,00
- Rabattgruppe: FA
- Gewicht: 3 kg
Unterputzrahmen
Straßenkappe
Passend für
- Ausführung mit Direktabsaugung D
- Ausführung manuelle Innenreinigung DM
- Ausführung automatische Innenreinigung DA
Beschreibung
- Schachtabdeckung gemäß DIN EN 124/DIN 1229
- Belastungsklasse: A 15
- Rahmen und Deckel aus Gusseisen
- Durchmesser: 300 mm
- Lichte Weite: 250 mm
- Bauhöhe 100 mm
- Zu Saugleitung DN 80 von Lipumax-P
- Bestehend aus:
- Kurze PE-HD Anschlussleitung DN 65
- Storzkopplung B
- Blinddeckel B
- Preis 01.01.2026 in € (zzgl. Umsatzsteuer): Auf Anfrage
- Rabattgruppe:
- Gewicht: 10 kg
Waschschlauch
Passend für
- Ausführung manuelle Innenreinigung DM
- Ausführung automatische Innenreinigung DA
- Länge: 10 m
Beschreibung
- Zur Verbindung einer Hochdruckpumpe im Gebäude und Hochdruckreinigungskopf im Fettabscheider
- 1 SN 10 – 150 DKO/DKO-L‑90°
- Preis 01.01.2026 in € (zzgl. Umsatzsteuer): 430,00
- Rabattgruppe: FA
- Gewicht: 10 kg
Waschschlauch
Passend für
- Ausführung manuelle Innenreinigung DM
- Ausführung automatische Innenreinigung DA
- Länge: 20 m
Beschreibung
- Zur Verbindung einer Hochdruckpumpe im Gebäude und Hochdruckreinigungskopf im Fettabscheider
- 1 SN 10 – 150 DKO/DKO-L‑90°
- Preis 01.01.2026 in € (zzgl. Umsatzsteuer): 865,00
- Rabattgruppe: FA
- Gewicht: 19 kg
Waschschlauch
Passend für
- Ausführung manuelle Innenreinigung DM
- Ausführung automatische Innenreinigung DA
- Länge: 30 m
Beschreibung
- Zur Verbindung einer Hochdruckpumpe im Gebäude und Hochdruckreinigungskopf im Fettabscheider
- 1 SN 10 – 150 DKO/DKO-L‑90°
- Preis 01.01.2026 in € (zzgl. Umsatzsteuer): 1300,00
- Rabattgruppe: FA
- Gewicht: 28 kg
Straßenkappe
Passend für
- Fettabscheider zum Erdeinbau
- LipuMax-P (P-D, P-DM, P-DA, P-DAP)
- LipuMax-PH (FIX und FLEX P-D, P-DA)
- LipuLift-P (alle)
- Leichtflüssigkeitsabscheider Coalisator-P
Beschreibung
- ACO Schachtabdeckung / Strassenkappe aus Gusseisen
- Belastungsklasse L 15
- Anwendung: Straßenkappe
- Rahmen und Deckel aus Gusseisen
- Gewicht: 6 kg
- Preis/Stk. UVP zzgl. USt. 2025 [€]: 181,45 €
- Rabattgruppe: 1
Straßenkappe
Passend für
- Fettabscheider zum Erdeinbau
- LipuMax-P (P-D, P-DM, P-DA, P-DAP)
- LipuMax-PH (FIX und FLEX P-D, P-DA)
- LipuLift-P (alle)
- Leichtflüssigkeitsabscheider Coalisator-P
Beschreibung
- Schachtabdeckung gemäß DIN EN 124/DIN 1229
- Belastungsklasse: A 15
- Rahmen und Deckel aus Gusseisen
- Bauform: rund, Durchmesser: 300 mm
- Lichte Weite: 250 mm
- Gewicht: 9,8 kg
- Preis/Stk. UVP zzgl. USt. 2025 [€]: 344,08 €
- Rabattgruppe: 1
Signalanlage mit GSM-Modul
Passend für
- Alle Fettabscheider
- Fettschichtdicken-Messgerät
- Vorbehälteranlage-duo
- Verfahrenstechnische Anlagen
- Fäkalien-Rückstauautomaten Quatrix-K Typ 3F
- Sinkamat-K (Unterflur) duo
- Muli-Hebeanlagen
- Pumpstationen
- Einbausets
Beschreibung
- Parametrisierbar per App (Android & iOs)
- Netzunabhängiger Alarm per 12V Bleigel-Akku
- Optische und Akustische Alarmmeldung
- Frei konfigurierbare Eingänge
- 6 digitale mit LED- Zustandsanzeige
- 1 analoger
- 1 Alarmausgang 12 V
- Weiterleitung der Alarms per SMS auf Mobiltelefone
- Zur Montage außerhalb des Ex-Bereiches
- Gehäuse: 192 x 150(mit Kabelverschraubung) x 100 mm (BxHxT)
- Schutzarzt: IP54
- Betriebsspannung: 230 V/AC 50/60 Hz
- Preis 01.01.2026 in € (zzgl. Umsatzsteuer): 1380,00
- Rabattgruppe: G1
- Gewicht: 2 kg
- Preis/Stk. UVP zzgl. USt. 2025 [€]: 1.378,82 €
- Rabattgruppe: 12
Verlängerungskabel für Antenne GSM Modul
Passend für
- GSM - Modul
Beschreibung
- Länge inkl. Anschlüsse: ca. 15 m
- Kabel-Typ: RG58
- Anschlüsse:1 x SMA Stecker (SMA/M) und 1 x SMA Buchse (SMA/F)
- Es darf pro GSM- Modul nur max. ein Verlängerungskabel verwendet werden
- Nutzbar im Temperaturbereich: -20°C bis 85°C
- Preis/Stk. UVP zzgl. USt. 2025 [€]: 166,47 €
- Rabattgruppe: 12
Anschlusskasten
Passend für
- Fettabscheider
- Stärkeabscheider
- LipuLift-P-D/-DA/-DAP
Beschreibung
- Für Entsorgungsanschluss und Fernbedienung
- Aus Edelstahl, Werkstoff 1.4301
- Anbringung: "Aufputz"
- Abmessung (Breite x Höhe x Tiefe): 500 x 500 x 160 mm
- Preis 01.01.2026 in € (zzgl. Umsatzsteuer): 1290,00
- Rabattgruppe: PS
- Gewicht: 11,6 kg
- Preis/Stk. UVP zzgl. USt. 2025 [€]: 1.074,84 €
- Rabattgruppe: 11
Unterputzrahmen
Anschlusskasten
Passend für
- Fettabscheider
- LipuMax-P-D/DM/DA
- LipuJet-P-OD/RD/SD/OM/OMP/RM/RMP
- LipuJet-S-OD/RD/SD/OM/OMP/RM/RMP
- Stärkeabscheider FapuMax-P-DA
- Leichtflüssigkeitsabscheider Coalisator-P
- LipuLift-P-D/-DA/-DAP
Beschreibung
- Für Entsorgungsanschluss DN 80
- Aus Edelstahl, Werkstoff 1.4301
- Ausführung "Aufputz"
- Türanschlag
- Wahlweise rechts oder links
- Tür abschließbar
- Abmessungen (Breite x Höhe x Tiefe): 370 x 330 x 250 mm
- Preis 01.01.2026 in € (zzgl. Umsatzsteuer): 1105,00
- Rabattgruppe: FA
- Gewicht: 10,4 kg
- Preis/Stk. UVP zzgl. USt. 2025 [€]: 966,27 €
- Rabattgruppe: 11
Unterputzrahmen
Waschschlauch 1 SN 10 - 150 DKO/DKO-L-90°
Passend für
- Fettabscheider zum Erdeinbau
- LipuMax-P-DM
- LipuMax-P-DA
- Stärkeabscheider FapuMax-P-DA zum Erdeinbau
- LipuLift-P-DA/-DAP
Beschreibung
- Zur Verbindung einer Hochdruckpumpe im Gebäude und Hochdruckreinigungskopf im Fettabscheider
- Preis 01.01.2026 in € (zzgl. Umsatzsteuer): 430,00
- Rabattgruppe: FA
- Zur Verbindung einer Hochdruckpumpe im Gebäude und Hochdruckreinigungskopf im Fettabscheider
- Länge: 10 m
- Gewicht: 10 kg
- Preis/Stk. UVP zzgl. USt. 2025 [€]: 437,54 €
- Rabattgruppe: 11
Waschschlauch 1 SN 10 - 150 DKO/DKO-L-90°
Passend für
- Fettabscheider zum Erdeinbau
- LipuMax-P-DM
- LipuMax-P-DA
- Stärkeabscheider FapuMax-P-DA zum Erdeinbau
- LipuLift-P-DA/-DAP
Beschreibung
- Zur Verbindung einer Hochdruckpumpe im Gebäude und Hochdruckreinigungskopf im Fettabscheider
- Preis 01.01.2026 in € (zzgl. Umsatzsteuer): 865,00
- Rabattgruppe: FA
- Zur Verbindung einer Hochdruckpumpe im Gebäude und Hochdruckreinigungskopf im Fettabscheider
- Länge: 20 m
- Gewicht: 10,3 kg
- Preis/Stk. UVP zzgl. USt. 2025 [€]: 872,90 €
- Rabattgruppe: 11
Waschschlauch 1 SN 10 - 150 DKO/DKO-L-90°
Passend für
- Fettabscheider zum Erdeinbau
- LipuMax-P-DM
- LipuMax-P-DA
- Stärkeabscheider FapuMax-P-DA zum Erdeinbau
- LipuLift-P-DA/-DAP
Beschreibung
- Zur Verbindung einer Hochdruckpumpe im Gebäude und Hochdruckreinigungskopf im Fettabscheider
- Preis 01.01.2026 in € (zzgl. Umsatzsteuer): 1300,00
- Rabattgruppe: FA
- Zur Verbindung einer Hochdruckpumpe im Gebäude und Hochdruckreinigungskopf im Fettabscheider
- Länge: 30 m
- Gewicht: 19 kg
- Preis/Stk. UVP zzgl. USt. 2025 [€]: 1.333,24 €
- Rabattgruppe: 11











