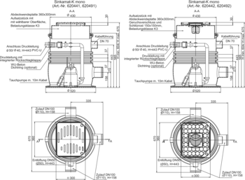
Kleinhebeanlagen Sinkamat-K mono
Produktvorteile
- Schnellkupplung zur werkzeuglosen Montage/Demontage der Pumpe
- Optional Abdichtung WU-Beton möglich
- Mehrere Anschlussmöglichkeiten vorhanden
- Aufsatzstück wahlweise mit Rahmenmaß
- 198 x 198 mm oder
- 360 x 300 mm (teleskopisch höhenverstellbar)
- Wahlweise Abdeckung für wählbare Oberfläche und Geruchsverschluss
Produktinformationen
- Anwendungsbereiche
- Zur Unterflurinstallation und Anwendung in frostgeschützten Kellerräumen von Einfamilienhäusern unterhalb der Rückstauebene wie z.B. Nutz- und Hobbyräumen oder Waschküchen
- Für häusliches fäkalienfreies Abwasser aus Duschen, Waschtischen, etc.
- Geprüft gemäß DIN EN 12050-2
- Gehäuse aus Polyethylen
- Mit 3 Zulaufstutzen DN 100
- Ein Stutzen für Kabeldurchführung DN 70
- Entlüftungsstutzen DN 50
- Motorgehäuse und Welle aus Edelstahl
- Pumpengehäuse und Laufrad aus Kunststoff
- Abdichtung Pumpengehäuse zum Motor durch Gleitringdichtung
- Mit 10 m Anschlusskabel und Schukostecker
- Mit Kugelschwimmschalter
- Mit integrierter Rückschlagklappe R 1¼"
- Druckleitungsanschluss nach EN ISO 15493
- PVC-U; 50‑40-R 1¼" (Di = 40 mm)
- Ohne Druckleitungsset
- Mit Schwimmschalter
- Zulässige Fördertemparatur bis 40°C (kurzfristig bis max. 70°C)
Infobox
- Hinweis: Wir empfehlen, die voraussichtliche Belastung der Hebeanlage im Vorwege durch unsere Anwendungstechnik berechnen zu lassen. Verwenden Sie zur Eingabe Ihrer Daten gerne unsere Auswahlhilfe für Rückstauverschlüsse und Hebeanlagen:
Signalanlage mit GSM-Modul
Passend für
- Alle Fettabscheider
- Fettschichtdicken-Messgerät
- Vorbehälteranlage-duo
- Verfahrenstechnische Anlagen
- Fäkalien-Rückstauautomaten Quatrix-K Typ 3F
- Sinkamat-K (Unterflur) duo
- Muli-Hebeanlagen
- Pumpstationen
- Einbausets
Beschreibung
- Parametrisierbar per App (Android & iOs)
- Netzunabhängiger Alarm per 12V Bleigel-Akku
- Optische und Akustische Alarmmeldung
- Frei konfigurierbare Eingänge
- 6 digitale mit LED- Zustandsanzeige
- 1 analoger
- 1 Alarmausgang 12 V
- Weiterleitung der Alarms per SMS auf Mobiltelefone
- Zur Montage außerhalb des Ex-Bereiches
- Gehäuse: 192 x 150(mit Kabelverschraubung) x 100 mm (BxHxT)
- Schutzarzt: IP54
- Betriebsspannung: 230 V/AC 50/60 Hz
- Gewicht: 2 kg
- Preis/Stk. UVP zzgl. USt. 2025 [€]: 1.378,82 €
- Rabattgruppe: 12
Pumpe 50/mono 1-K
Pumpe 50/mono 2-K
Pumpe 50/duo 1-K
Pumpe 50/duo 2-K
Schlitzrost
Passend für
- Sinkamat - Unterflur
Beschreibung
- Abmessung 142,5 x 142,5 mm
- Aus Edelstahl
- Mit Geruchsverschluss
- Mit Rost
- Preis 01.01.2026 in € (zzgl. Umsatzsteuer): 27,75
- Rabattgruppe: S1
Schmierfett
Passend für
- Geruchsverschlussdichtung, für Dichtungen der Rückstauklappen, zur Montage von Abdeckplatten und Wendedeckel
Pumpe 50/ mono 1-K A-Salt
Pumpe 50/ mono 2-K A-Salt
Pumpe 50/ duo 1-K Salt
Pumpe 50/ duo 2-K Salt
Schraubmuffe und Kleber
Passend für
- Druckleitungsset Ø 50 mm
Beschreibung
- Zur Herstellung einer Schraubverbindung
- Aus Kunststoff
Doppelmuffe und Kleber
Passend für
- Druckleitungsset Ø 50 mm
Beschreibung
- Zur festen Verbindung zweier Schlauchenden
- Aus Kunststoff
Verlängerungskabel für Antenne GSM Modul
Passend für
- GSM - Modul
Beschreibung
- Länge inkl. Anschlüsse: ca. 15 m
- Kabel-Typ: RG58
- Anschlüsse:1 x SMA Stecker (SMA/M) und 1 x SMA Buchse (SMA/F)
- Es darf pro GSM- Modul nur max. ein Verlängerungskabel verwendet werden
- Nutzbar im Temperaturbereich: -20°C bis 85°C
- Preis/Stk. UVP zzgl. USt. 2025 [€]: 166,47 €
- Rabattgruppe: 12
Signalanlage
Passend für
- Fäkalien-Rückstauautomaten Quatrix‑K Typ 3F
- Alle Muli Abwasserhebeanlagen
- Vorbehälteranlage-duo
- Muli-Max
- Powerlift–P / Powerlift-P/F-H
- Sinkamat –K/-KD
- Sinkamat-Z
- Sinkamat-K (Unterflur)
- Duo
- LipuLift-P
Beschreibung
- Selbstaufladend
- Mit potentialfreiem Kontakt
- Optisch und akustisch
- Ohne Kontaktgeber
- Zur Montage außerhalb des Ex-Bereiches
- Abmessungen: 175 x 125 x 75 mm B x H x T
- Schutzart: IP65
- Betriebsspannung: 230 V/AC 50/60 Hz
- Steckerfertig mit Kabel: 2 m
- Gewicht: 1,4 kg
- Preis/Stk. UVP zzgl. USt. 2025 [€]: 415,40 €
- Rabattgruppe: 12
Kontaktgeber
Passend für
- Signalanlage 0150.26.73
- Für fäkalienfreies Abwasserwasser
- Tauchpumpen "Sat"
- Hochalarmschwimmer für MultiControl- Steuerungen
Beschreibung
- Für separate Signalanlage/potentialfreie Störmeldung Niveau
- Gehäuse aus Kunststoff, Werkstoff Polypropylen
- Anschlusskabel: 10 m
- Schutzart: IP 68/2 bar
- Schaltleistung: 5 A/250 V
- Schaltwinkel: 10°
- Gewicht: 0,5 kg
- Preis/Stk. UVP zzgl. USt. 2025 [€]: 203,86 €
- Rabattgruppe: 12
Alarmgeber mit Schwimmerschalter
Passend für
- Sinkamat-K Unterflur
- Sinkamat-Z
- Sinkamat 50/1-K und 50/2-K Pumpen
Beschreibung
- Zur Nachrüstung eines netzunabhängigen Alarms
- Schwimmerschalter wird direkt an Pumpe montiert
- Schalthöhe ist einstellbar
- Kabellänge: 3m (kann bauseitig verlängert werden)
- Schuko- Stecker der Pumpe wird direkt in Alarmgeber eingesteckt
- Preis/Stk. UVP zzgl. USt. 2025 [€]: 372,65 €
- Rabattgruppe: 12
Blitzleuchte
Signalhupe
Set aus Anschluss- und Überflutungsmodul
Passend für
- Rückstauverschlüsse Triplex-K
- DN 100 – DN 150
- Rückstauverschlüsse Quatrix-K
- Alle Abwasserhebeanlagen
- Alle Abscheider
- Vorbehälteranlage-duo
Beschreibung
- Meldung einer Leckage ausgelöst durch z.B. Rohrbruch
- Für elektrisch leitende Flüssigkeiten
- Optische und akustische Alarmmeldung ca. >85 dB
- Potentialfreier Kontakt zur Störungsweiterleitung
- Schutzart: Steuerung IP 54; Fühler: IP68
- Betriebspannung: 230 V/AC 50/60 Hz
- Steckerfertig: 1,4 m
- Überflutungsmelder mit 10 m Kabel
- Gewicht: 1,1 kg
- Preis/Stk. UVP zzgl. USt. 2025 [€]: 345,25 €
- Rabattgruppe: 12
Druckleitungsset ø50 mm
Abdichtungsflansch
Aufsatzstück
Abdeckwendeplatte
Abdeckplatte komplett
Passend für
- Sinkamat-K
- 620441
- 620442
- 620491
- 620492
- 1205.00.00
- 1205.00.01
- 1205.00.02
- 1205.00.03
Beschreibung
- Abdeckung für wählbare Oberfläche
- Mit Schlitzrost
- Rahmenmaß: 150 x 150 mm
- Belastungsklasse: K 3
- Mit Geruchsverschluss
- Sperrwasserhöhe: 50 mm
- Gewicht: 2,3 kg
- Preis/Stk. UVP zzgl. USt. 2025 [€]: 242,22 €
- Rabattgruppe: 12
Verlängerungsstück
Passend für
- Rückstauverschlüsse zum Einbau in die Bodenplatte
- Sinkamat-K (Unterflur)
- Muli-UF (Unterflur)
- Quatrix-K
Beschreibung
- Mit Lippendichtung
- Stufenweise Erhöhung um je 116 mm
- Beim Quatrix-K max. 1x Verlängerungsstück montieren
- Beim Sinkamat-K max. 2x Verlängerungsstücke montieren
- Bei Muli-UF (zzgl. Flex- Schlauch 0150.57.82) max. 1x Verlängerungsstück montieren
- Gewicht: 3,4 kg
- Preis/Stk. UVP zzgl. USt. 2025 [€]: 118,37 €
- Rabattgruppe: 7
Signalanlage mit GSM-Modul
Passend für
- Alle Fettabscheider
- Fettschichtdicken-Messgerät
- Vorbehälteranlage-duo
- Verfahrenstechnische Anlagen
- Fäkalien-Rückstauautomaten Quatrix-K Typ 3F
- Sinkamat-K (Unterflur) duo
- Muli-Hebeanlagen
- Pumpstationen
- Einbausets
Beschreibung
- Parametrisierbar per App (Android & iOs)
- Netzunabhängiger Alarm per 12V Bleigel-Akku
- Optische und Akustische Alarmmeldung
- Frei konfigurierbare Eingänge
- 6 digitale mit LED- Zustandsanzeige
- 1 analoger
- 1 Alarmausgang 12 V
- Weiterleitung der Alarms per SMS auf Mobiltelefone
- Zur Montage außerhalb des Ex-Bereiches
- Gehäuse: 192 x 150(mit Kabelverschraubung) x 100 mm (BxHxT)
- Schutzarzt: IP54
- Betriebsspannung: 230 V/AC 50/60 Hz
- Gewicht: 2 kg
- Preis/Stk. UVP zzgl. USt. 2025 [€]: 1.378,82 €
- Rabattgruppe: 12
Pumpe 50/mono 1-K
Pumpe 50/mono 2-K
Pumpe 50/duo 1-K
Pumpe 50/duo 2-K
Schlitzrost
Passend für
- Sinkamat - Unterflur
Beschreibung
- Abmessung 142,5 x 142,5 mm
- Aus Edelstahl
- Mit Geruchsverschluss
- Mit Rost
- Preis 01.01.2026 in € (zzgl. Umsatzsteuer): 27,75
- Rabattgruppe: S1
Schmierfett
Passend für
- Geruchsverschlussdichtung, für Dichtungen der Rückstauklappen, zur Montage von Abdeckplatten und Wendedeckel
Pumpe 50/ mono 1-K A-Salt
Pumpe 50/ mono 2-K A-Salt
Pumpe 50/ duo 1-K Salt
Pumpe 50/ duo 2-K Salt
Schraubmuffe und Kleber
Passend für
- Druckleitungsset Ø 50 mm
Beschreibung
- Zur Herstellung einer Schraubverbindung
- Aus Kunststoff
Doppelmuffe und Kleber
Passend für
- Druckleitungsset Ø 50 mm
Beschreibung
- Zur festen Verbindung zweier Schlauchenden
- Aus Kunststoff
Verlängerungskabel für Antenne GSM Modul
Passend für
- GSM - Modul
Beschreibung
- Länge inkl. Anschlüsse: ca. 15 m
- Kabel-Typ: RG58
- Anschlüsse:1 x SMA Stecker (SMA/M) und 1 x SMA Buchse (SMA/F)
- Es darf pro GSM- Modul nur max. ein Verlängerungskabel verwendet werden
- Nutzbar im Temperaturbereich: -20°C bis 85°C
- Preis/Stk. UVP zzgl. USt. 2025 [€]: 166,47 €
- Rabattgruppe: 12
Signalanlage
Passend für
- Fäkalien-Rückstauautomaten Quatrix‑K Typ 3F
- Alle Muli Abwasserhebeanlagen
- Vorbehälteranlage-duo
- Muli-Max
- Powerlift–P / Powerlift-P/F-H
- Sinkamat –K/-KD
- Sinkamat-Z
- Sinkamat-K (Unterflur)
- Duo
- LipuLift-P
Beschreibung
- Selbstaufladend
- Mit potentialfreiem Kontakt
- Optisch und akustisch
- Ohne Kontaktgeber
- Zur Montage außerhalb des Ex-Bereiches
- Abmessungen: 175 x 125 x 75 mm B x H x T
- Schutzart: IP65
- Betriebsspannung: 230 V/AC 50/60 Hz
- Steckerfertig mit Kabel: 2 m
- Gewicht: 1,4 kg
- Preis/Stk. UVP zzgl. USt. 2025 [€]: 415,40 €
- Rabattgruppe: 12
Kontaktgeber
Passend für
- Signalanlage 0150.26.73
- Für fäkalienfreies Abwasserwasser
- Tauchpumpen "Sat"
- Hochalarmschwimmer für MultiControl- Steuerungen
Beschreibung
- Für separate Signalanlage/potentialfreie Störmeldung Niveau
- Gehäuse aus Kunststoff, Werkstoff Polypropylen
- Anschlusskabel: 10 m
- Schutzart: IP 68/2 bar
- Schaltleistung: 5 A/250 V
- Schaltwinkel: 10°
- Gewicht: 0,5 kg
- Preis/Stk. UVP zzgl. USt. 2025 [€]: 203,86 €
- Rabattgruppe: 12
Alarmgeber mit Schwimmerschalter
Passend für
- Sinkamat-K Unterflur
- Sinkamat-Z
- Sinkamat 50/1-K und 50/2-K Pumpen
Beschreibung
- Zur Nachrüstung eines netzunabhängigen Alarms
- Schwimmerschalter wird direkt an Pumpe montiert
- Schalthöhe ist einstellbar
- Kabellänge: 3m (kann bauseitig verlängert werden)
- Schuko- Stecker der Pumpe wird direkt in Alarmgeber eingesteckt
- Preis/Stk. UVP zzgl. USt. 2025 [€]: 372,65 €
- Rabattgruppe: 12
Blitzleuchte
Signalhupe
Set aus Anschluss- und Überflutungsmodul
Passend für
- Rückstauverschlüsse Triplex-K
- DN 100 – DN 150
- Rückstauverschlüsse Quatrix-K
- Alle Abwasserhebeanlagen
- Alle Abscheider
- Vorbehälteranlage-duo
Beschreibung
- Meldung einer Leckage ausgelöst durch z.B. Rohrbruch
- Für elektrisch leitende Flüssigkeiten
- Optische und akustische Alarmmeldung ca. >85 dB
- Potentialfreier Kontakt zur Störungsweiterleitung
- Schutzart: Steuerung IP 54; Fühler: IP68
- Betriebspannung: 230 V/AC 50/60 Hz
- Steckerfertig: 1,4 m
- Überflutungsmelder mit 10 m Kabel
- Gewicht: 1,1 kg
- Preis/Stk. UVP zzgl. USt. 2025 [€]: 345,25 €
- Rabattgruppe: 12
Druckleitungsset ø50 mm
Abdichtungsflansch
Aufsatzstück
Abdeckwendeplatte
Abdeckplatte komplett
Passend für
- Sinkamat-K
- 620441
- 620442
- 620491
- 620492
- 1205.00.00
- 1205.00.01
- 1205.00.02
- 1205.00.03
Beschreibung
- Abdeckung für wählbare Oberfläche
- Mit Schlitzrost
- Rahmenmaß: 150 x 150 mm
- Belastungsklasse: K 3
- Mit Geruchsverschluss
- Sperrwasserhöhe: 50 mm
- Gewicht: 2,3 kg
- Preis/Stk. UVP zzgl. USt. 2025 [€]: 242,22 €
- Rabattgruppe: 12
Verlängerungsstück
Passend für
- Rückstauverschlüsse zum Einbau in die Bodenplatte
- Sinkamat-K (Unterflur)
- Muli-UF (Unterflur)
- Quatrix-K
Beschreibung
- Mit Lippendichtung
- Stufenweise Erhöhung um je 116 mm
- Beim Quatrix-K max. 1x Verlängerungsstück montieren
- Beim Sinkamat-K max. 2x Verlängerungsstücke montieren
- Bei Muli-UF (zzgl. Flex- Schlauch 0150.57.82) max. 1x Verlängerungsstück montieren
- Gewicht: 3,4 kg
- Preis/Stk. UVP zzgl. USt. 2025 [€]: 118,37 €
- Rabattgruppe: 7























