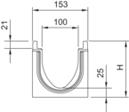
PowerDrain Seal in - Rinnen ohne Sohlengefälle, 500 mm
Produktvorteile
- Wasserdichter Rinnenstrang durch Seal in Technologie (gemäß IKT-Prüfsiegel D01185)
- Serienmäßig mit EPDM -Dichtung im Rinnenstoß
- Rinnenkörper aus beständigem ACO Polymerbeton
- Gewohnt einfacher Einbau
- Für den Grundwasserschutz
- Für den Bauwerksschutz
- Für ein kontrolliertes Regenwassermanagement
- Auswahl Abdeckroste
- Mit schraubloser Arretierung Drainlock (A 15 – E 600)
- NEU: Mit selbstsichernder Verriegelung Powerlock und integrierter Dämpfung (D 400 – F 900)
- Verbesserte Selbstreinigung durch V -Querschnitt und durchgängig glatte Rinnensohle
Produktinformationen
- Rinnensystem gemäß DIN EN 1433 / DIN 19580
- Nennweite 100 mm
- Klassen A 15 – F 900
- Mit Kantenschutz 12 mm aus Gusseisen, KTL-beschichtet
- Wahlweise mit oder ohne senkrechtem, wasserdichtem Rohranschluss mit Lippenlabyrinthdichtung (LLD) aus NBR
- Mit seitlichem Vorformung für Eck-, T- und Kreuzverbindungen (Adapter nötig, siehe Zubehör)
- *) Rinnenkörper mit LLD-Rohranschluss haben eine 5 mm größere Bodenstärke als die anschließenden Rinnenkörper
- Beispiel: 5.0.2 passt zu zu Typ 5, 5.0, 5.1

ACO Drain Roste, NW 100, Klasse B 125

ACO Drain Roste, NW 100, Klasse C 250

ACO Drain Roste, NW 100, Klasse D 400

Powerlock-Performance Roste, NW 100, Klasse D 400

ACO Drain Roste, NW 100, Klasse E 600

Powerlock-Performance Roste, NW 100, Klasse F 900
Rosthaken
Polyesterklebemasse
Silikonfett
Passend für
Seal in Technologie
- NW 100
- Typ 0.0: ca. 40 Rinnenstöße
- Typ 10.0: ca. 30 Rinnenstöße
- Typ 20.0: ca. 20 Rinnenstöße
- NW 150
- Typ 0.0: ca. 30 Rinnenstöße
- Typ 10.0: ca. 20 Rinnenstöße
- Typ 20.0: ca. 10 Rinnenstöße
- NW 200
- Typ 0.0: ca. 20 Rinnenstöße
- Typ 10.0: ca. 15 Rinnenstöße
- Typ 20.0: ca. 12 Rinnenstöße
- NW 300
- Typ 0.0: ca. 10 Rinnenstöße
- Typ 10.0: ca. 7 Rinnenstöße
- Typ 20.0: ca. 5 Rinnenstöße
Beschreibung
- Entspricht der Leitlinie des UBA für Sanitärschmierstoffe, lebenmitteltechnischer Schmierstoff gemäß EN ISO 21469, Trinkwasser geeignet, O-Ring verträglich
- Inhalt: 23g
- Preis 01.01.2026 in € (zzgl. Umsatzsteuer): 7,50
- Rabattgruppe: ML
- Gewicht: 0,1 kg
Adapter für Fließrichtungswechsel
Adapter für Fließrichtungswechsel
Adapter für Fließrichtungswechsel
Adapter für Fließrichtungswechsel
Adapter für Eck-, T- und Kreuzverbindungen
Adapter für Eck-, T- und Kreuzverbindungen
Adapter für Eck-, T- und Kreuzverbindungen
Adapter für Eck-, T- und Kreuzverbindungen
Kombistirnwand
Stirnwand für Rinnenende (LLD)
Stirnwand für Rinnenende (LLD)
Stirnwand für Rinnenende (LLD)
Stirnwand für Rinnenende (LLD)
Zwischenelement (Edelstahl)
Zwischenelement (Gusseisen)
Laubfang
Rohrstutzen
Geruchsverschluss

ACO Drain Roste, NW 100, Klasse B 125

ACO Drain Roste, NW 100, Klasse C 250

ACO Drain Roste, NW 100, Klasse D 400

Powerlock-Performance Roste, NW 100, Klasse D 400

ACO Drain Roste, NW 100, Klasse E 600

Powerlock-Performance Roste, NW 100, Klasse F 900
Rosthaken
Polyesterklebemasse
Silikonfett
Passend für
Seal in Technologie
- NW 100
- Typ 0.0: ca. 40 Rinnenstöße
- Typ 10.0: ca. 30 Rinnenstöße
- Typ 20.0: ca. 20 Rinnenstöße
- NW 150
- Typ 0.0: ca. 30 Rinnenstöße
- Typ 10.0: ca. 20 Rinnenstöße
- Typ 20.0: ca. 10 Rinnenstöße
- NW 200
- Typ 0.0: ca. 20 Rinnenstöße
- Typ 10.0: ca. 15 Rinnenstöße
- Typ 20.0: ca. 12 Rinnenstöße
- NW 300
- Typ 0.0: ca. 10 Rinnenstöße
- Typ 10.0: ca. 7 Rinnenstöße
- Typ 20.0: ca. 5 Rinnenstöße
Beschreibung
- Entspricht der Leitlinie des UBA für Sanitärschmierstoffe, lebenmitteltechnischer Schmierstoff gemäß EN ISO 21469, Trinkwasser geeignet, O-Ring verträglich
- Inhalt: 23g
- Preis 01.01.2026 in € (zzgl. Umsatzsteuer): 7,50
- Rabattgruppe: ML
- Gewicht: 0,1 kg
Adapter für Fließrichtungswechsel
Adapter für Fließrichtungswechsel
Adapter für Fließrichtungswechsel
Adapter für Fließrichtungswechsel
Adapter für Eck-, T- und Kreuzverbindungen
Adapter für Eck-, T- und Kreuzverbindungen
Adapter für Eck-, T- und Kreuzverbindungen
Adapter für Eck-, T- und Kreuzverbindungen
Kombistirnwand
Stirnwand für Rinnenende (LLD)
Stirnwand für Rinnenende (LLD)
Stirnwand für Rinnenende (LLD)
Stirnwand für Rinnenende (LLD)
Zwischenelement (Edelstahl)
Zwischenelement (Gusseisen)
Laubfang
Rohrstutzen
Geruchsverschluss
















