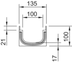
Flachrinne ohne Sohlengefälle, 1000 mm
Produktvorteile
- Wasserdichter Rinnenstrang durch Seal in Technologie (gemäß IKT-Prüfsiegel D01185)
- Serienmäßig mit EPDM-Dichtung im Rinnenstoß
- Rinnenkörper aus beständigem ACO Polymerbeton
- Gewohnt einfacher Einbau
- Für den Grundwasserschutz
- Für den Bauwerksschutz
- Für ein kontrolliertes Regenwassermanagement
- Verbesserte Selbstreinigung durch V-Querschnitt und durchgängig glatte Rinnensohle
- Robuster Rinnenkörper
- Mit schraubloser Rostarretierung Drainlock
Produktinformationen
- Rinnensystem gemäß DIN EN 1433 / DIN 19580
- Nennweite 100 mm
- Klassen A 15 – E 6001)
- Wahlweise in den Kantenschutzausführungen Stahl verzinkt oder Edelstahl
- Wahlweise mit oder ohne senkrechtem, wasserdichtem Rohranschluss
- Ausführung mit senkrechtem, wasserdichtem Rohranschluss mit Lippenlabyrinthdichtung (LLD) aus NBR
- Passende Kombinationen in der Bauhöhe (BH) bespielhaft anhand der Ausführung Stahl verzinkt sind: * 132323 und 132324 (BH 80), * 132321 und 132322 (BH 100)
Infobox
BIM
Die aktuellste BIM Revit Version finden Sie direkt am Produkt.
Weitere Revit Versionen finden Sie unter: BIM.

ACO Drain Roste, NW 100, Klasse A 15

ACO Drain Roste, NW 100, Klasse B 125

ACO Drain Roste, NW 100, Klasse C 250

ACO Schlitzrahmen, NW 100, Klasse C 250

ACO Drain Roste, NW 100, Klasse D 400

ACO Schlitzrahmen, NW 100, Klasse D 400

ACO Drain Roste, NW 100, Klasse E 600
Silikonfett
Passend für
Seal in Technologie
- NW 100
- Typ 0.0: ca. 40 Rinnenstöße
- Typ 10.0: ca. 30 Rinnenstöße
- Typ 20.0: ca. 20 Rinnenstöße
- NW 150
- Typ 0.0: ca. 30 Rinnenstöße
- Typ 10.0: ca. 20 Rinnenstöße
- Typ 20.0: ca. 10 Rinnenstöße
- NW 200
- Typ 0.0: ca. 20 Rinnenstöße
- Typ 10.0: ca. 15 Rinnenstöße
- Typ 20.0: ca. 12 Rinnenstöße
- NW 300
- Typ 0.0: ca. 10 Rinnenstöße
- Typ 10.0: ca. 7 Rinnenstöße
- Typ 20.0: ca. 5 Rinnenstöße
Beschreibung
- Entspricht der Leitlinie des UBA für Sanitärschmierstoffe, lebenmitteltechnischer Schmierstoff gemäß EN ISO 21469, Trinkwasser geeignet, O-Ring verträglich
- Inhalt: 23g
- Preis 01.01.2025 in € (zzgl. Umsatzsteuer): 7,20
- Rabattgruppe: ML
- Gewicht: 0,1 kg
Endkappe für Schlitzrahmen
Endkappe für Schlitzrahmen
Endkappe für Schlitzrahmen
Endkappe für Schlitzrahmen
Endkappe für Schlitzrahmen
Stirnwand für Rinnenanfang (Flachrinne)
Stirnwand für Rinnenende (Flachrinne)
Stirnwand für Rinnenanfang (Flachrinne)
Stirnwand für Rinnenende (Flachrinne)
Zwischenelement (Edelstahl)
Zwischenelement (Gusseisen)
Brandschutz-Einsatz
Herausnehmbarer Schmutzfang
Rosthaken
Rosthaken, klein
Universal Aushebewerkzeug für Revisionselemente
Trafo Eyeleds
Verlängerungskabel Eyeleds
Basisset Lichtpunkt
Basisset Lichtpunkt
Kabel Lichtpunkt
Kabel Lichtpunkt
Kabel Lichtpunkt
Erweiterungsset Lichtpunkt

ACO Drain Roste, NW 100, Klasse A 15

ACO Drain Roste, NW 100, Klasse B 125

ACO Drain Roste, NW 100, Klasse C 250

ACO Schlitzrahmen, NW 100, Klasse C 250

ACO Drain Roste, NW 100, Klasse D 400

ACO Schlitzrahmen, NW 100, Klasse D 400

ACO Drain Roste, NW 100, Klasse E 600
Silikonfett
Passend für
Seal in Technologie
- NW 100
- Typ 0.0: ca. 40 Rinnenstöße
- Typ 10.0: ca. 30 Rinnenstöße
- Typ 20.0: ca. 20 Rinnenstöße
- NW 150
- Typ 0.0: ca. 30 Rinnenstöße
- Typ 10.0: ca. 20 Rinnenstöße
- Typ 20.0: ca. 10 Rinnenstöße
- NW 200
- Typ 0.0: ca. 20 Rinnenstöße
- Typ 10.0: ca. 15 Rinnenstöße
- Typ 20.0: ca. 12 Rinnenstöße
- NW 300
- Typ 0.0: ca. 10 Rinnenstöße
- Typ 10.0: ca. 7 Rinnenstöße
- Typ 20.0: ca. 5 Rinnenstöße
Beschreibung
- Entspricht der Leitlinie des UBA für Sanitärschmierstoffe, lebenmitteltechnischer Schmierstoff gemäß EN ISO 21469, Trinkwasser geeignet, O-Ring verträglich
- Inhalt: 23g
- Preis 01.01.2025 in € (zzgl. Umsatzsteuer): 7,20
- Rabattgruppe: ML
- Gewicht: 0,1 kg
Endkappe für Schlitzrahmen
Endkappe für Schlitzrahmen
Endkappe für Schlitzrahmen
Endkappe für Schlitzrahmen
Endkappe für Schlitzrahmen
Stirnwand für Rinnenanfang (Flachrinne)
Stirnwand für Rinnenende (Flachrinne)
Stirnwand für Rinnenanfang (Flachrinne)
Stirnwand für Rinnenende (Flachrinne)
Zwischenelement (Edelstahl)
Zwischenelement (Gusseisen)
Brandschutz-Einsatz
Herausnehmbarer Schmutzfang
Rosthaken
Rosthaken, klein
Universal Aushebewerkzeug für Revisionselemente
Trafo Eyeleds
Verlängerungskabel Eyeleds
Basisset Lichtpunkt
Basisset Lichtpunkt
Kabel Lichtpunkt
Kabel Lichtpunkt
Kabel Lichtpunkt
Erweiterungsset Lichtpunkt




























