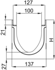
ACO DRAIN® Multiline NX, Rinne ohne Sohlengefälle
Produktvorteile
- Rinnenkörper aus neu entwickeltem ACO Werkstoff NEXITE®
- Hohe Packungsdichte durch mineralische Feinstfüllstoffe
- Besondere Festigkeit und Belastbarkeit
- Recyclebar und umweltzertifiziert (gemäß KIWA-Prüfsiegel BRL 5070)
- Wasserdichter Rinnenstrang durch Seal in Technologie (gemäß IKT-Prüfsiegel D01398)
- Serienmäßig mit EPDM-Dichtung im Rinnenstoß
- Gewohnt einfacher Einbau
- Grundwasser- und Bauwerkschutz
- Für ein kontrolliertes Regenwassermanagement
- Verbesserte Selbstreinigung durch V-Querschnitt und durchgängig glatte Rinnensohle
- Mit schraubloser Rostarretierung Drainlock
Produktinformationen
- Rinnensystem gemäß DIN EN 1433/ DIN 19580
- Nennweite 100 mm
- Kantenschutz Stahl verzinkt, Kunststoff oder Gusseisen (KTL beschichtet)
- Stahl verzinkt und Gusseisen: A 15 – E 600
- Kunststoff: A 15 – C 250
- Wahlweise mit oder ohne senkrechtem, wasserdichtem Rohranschluss
- Ausführung mit senkrechtem, wasserdichtem Rohranschluss mit Lippenlabyrinthdichtung (LLD) aus NBR
- Kombinationsmöglichkeiten für den Rinnenkörper (Beispiel):
- Typ 0.0 – 0.0.2 – 0.1
- *) Rinnenkörper mit LLD-Rohranschluss haben eine minimal größere Bodenstärke als die anschließbaren Rinnenkörper (dies gilt jeweils für die Höhen 160, 185 und 210 mm):
- Beispiel: Typ 5.0.2 passt zu Typ 5 - 5.0 - 5.1

ACO Drain Roste, NW 100, Klasse A 15

ACO Drain Roste, NW 100, Klasse B 125

ACO Drain Roste, NW 100, Klasse C 250

ACO Schlitzrahmen, NW 100, Klasse C 250

ACO Drain Roste, NW 100, Klasse D 400

ACO Schlitzrahmen, NW 100, Klasse D 400

ACO Drain Roste, NW 100, Klasse E 600
Kombistirnwand
Laubfang
Adapter für Eck-, T- und Kreuzverbindungen
Adapter für Eck-, T- und Kreuzverbindungen
Adapter für Eck-, T- und Kreuzverbindungen
Adapter für Eck-, T- und Kreuzverbindungen
Passend für
- Multiline NX (Gusseisen und Kunstoff)
- V 100, Typ 20
Beschreibung
- Preis 01.01.2026 in € (zzgl. Umsatzsteuer):
- Rabattgruppe:
- Aus Polymerbeton
- Mit schwarz beschichtetem Kantenschutz
- Baulänge 14 mm
- Zum wasserdichten Anschluss von Eck-, T- und Kreuzverbindungen
- Zum Ankleben an den Rinnenkörper
- Gewicht: 1 kg
Kombistirnwand
Stirnwand mit Lippenlabyrinthdichtung
Stirnwand mit Lippenlabyrinthdichtung
Stirnwand mit Lippenlabyrinthdichtung
Stirnwand mit Lippenlabyrinthdichtung
Adapter für Fließrichtungswechsel
Adapter für Fließrichtungswechsel
Adapter für Fließrichtungswechsel
Adapter für Fließrichtungswechsel
Stirnwand für Rinnenende (LLD)
Passend für
- Multiline Seal in / Multiline NX
- V 100 S 0.
Beschreibung
- Aus Polymerbeton
- Mit integrierter Lippenlabyrinthdichtung (LLD) DN/OD 110 für horizontalen, wasserdichten Rohranschluss
- Mit Kantenschutz Stahl verzinkt
- Baulänge 30 mm
- Preis 01.01.2026 in € (zzgl. Umsatzsteuer): 35,25
- Rabattgruppe: ML
- Gewicht: 1,4 kg
Stirnwand für Rinnenende (LLD)
Passend für
- Multiline Seal in / Multiline NX
- V 100 S 5.
Beschreibung
- Aus Polymerbeton
- Mit integrierter Lippenlabyrinthdichtung (LLD) DN/OD 110 für horizontalen, wasserdichten Rohranschluss
- Mit Kantenschutz Stahl verzinkt
- Baulänge 30 mm
- Preis 01.01.2026 in € (zzgl. Umsatzsteuer): 35,25
- Rabattgruppe: ML
- Gewicht: 1,5 kg
Stirnwand für Rinnenende (LLD)
Passend für
- Multiline Seal in / Multiline NX
- V 100 S 10.
Beschreibung
- Aus Polymerbeton
- Mit integrierter Lippenlabyrinthdichtung (LLD) DN/OD 110 für horizontalen, wasserdichten Rohranschluss
- Mit Kantenschutz Stahl verzinkt
- Baulänge 30 mm
- Preis 01.01.2026 in € (zzgl. Umsatzsteuer): 35,25
- Rabattgruppe: ML
- Gewicht: 1,7 kg
Adapter für Fließrichtungswechsel
Adapter für Fließrichtungswechsel
Adapter für Fließrichtungswechsel
Adapter für Eck-, T- und Kreuzverbindungen
Adapter für Eck-, T- und Kreuzverbindungen
Passend für
- Multiline Seal in / Multiline NX
- V 100 S 5.
Beschreibung
- Aus Polymerbeton
- Mit Kantenschutz Stahl verzinkt
- Baulänge 14 mm
- Zum wasserdichten Anschluss von Eck-, T- und Kreuzverbindungen
- Zum Ankleben an den Rinnenkörper
- Preis 01.01.2026 in € (zzgl. Umsatzsteuer): 35,25
- Rabattgruppe: ML
- Gewicht: 1,1 kg
Adapter für Eck-, T- und Kreuzverbindungen
Passend für
- Multiline Seal in / Multiline NX
- V 100 S 10.
Beschreibung
- Aus Polymerbeton
- Mit Kantenschutz Stahl verzinkt
- Baulänge 14 mm
- Zum wasserdichten Anschluss von Eck-, T- und Kreuzverbindungen
- Zum Ankleben an den Rinnenkörper
- Preis 01.01.2026 in € (zzgl. Umsatzsteuer): 35,25
- Rabattgruppe: ML
- Gewicht: 1,3 kg
Silikonfett
Passend für
Seal in Technologie
- NW 100
- Typ 0.0: ca. 40 Rinnenstöße
- Typ 10.0: ca. 30 Rinnenstöße
- Typ 20.0: ca. 20 Rinnenstöße
- NW 150
- Typ 0.0: ca. 30 Rinnenstöße
- Typ 10.0: ca. 20 Rinnenstöße
- Typ 20.0: ca. 10 Rinnenstöße
- NW 200
- Typ 0.0: ca. 20 Rinnenstöße
- Typ 10.0: ca. 15 Rinnenstöße
- Typ 20.0: ca. 12 Rinnenstöße
- NW 300
- Typ 0.0: ca. 10 Rinnenstöße
- Typ 10.0: ca. 7 Rinnenstöße
- Typ 20.0: ca. 5 Rinnenstöße
Beschreibung
- Entspricht der Leitlinie des UBA für Sanitärschmierstoffe, lebenmitteltechnischer Schmierstoff gemäß EN ISO 21469, Trinkwasser geeignet, O-Ring verträglich
- Inhalt: 23g
- Preis 01.01.2026 in € (zzgl. Umsatzsteuer): 7,50
- Rabattgruppe: ML
- Gewicht: 0,1 kg
Geruchsverschluss
Laubfang
Rohrstutzen
Geruchsverschluss
Geruchsverschluss
Zwischenelement (Edelstahl)
Zwischenelement (Gusseisen)
Brandschutz-Einsatz
Polyesterklebemasse
Rosthaken
Rosthaken, klein
Universal Aushebewerkzeug für Revisionselemente
Endkappe für Schlitzrahmen
Endkappe für Schlitzrahmen
Endkappe für Schlitzrahmen
Endkappe für Schlitzrahmen
Endkappe für Schlitzrahmen
Trafo Eyeleds
Verlängerungskabel Eyeleds
Basisset Lichtpunkt
Basisset Lichtpunkt
Kabel Lichtpunkt
Kabel Lichtpunkt
Kabel Lichtpunkt
Erweiterungsset Lichtpunkt

ACO Drain Roste, NW 100, Klasse A 15

ACO Drain Roste, NW 100, Klasse B 125

ACO Drain Roste, NW 100, Klasse C 250

ACO Schlitzrahmen, NW 100, Klasse C 250

ACO Drain Roste, NW 100, Klasse D 400

ACO Schlitzrahmen, NW 100, Klasse D 400

ACO Drain Roste, NW 100, Klasse E 600
Kombistirnwand
Laubfang
Adapter für Eck-, T- und Kreuzverbindungen
Adapter für Eck-, T- und Kreuzverbindungen
Adapter für Eck-, T- und Kreuzverbindungen
Adapter für Eck-, T- und Kreuzverbindungen
Passend für
- Multiline NX (Gusseisen und Kunstoff)
- V 100, Typ 20
Beschreibung
- Preis 01.01.2026 in € (zzgl. Umsatzsteuer):
- Rabattgruppe:
- Aus Polymerbeton
- Mit schwarz beschichtetem Kantenschutz
- Baulänge 14 mm
- Zum wasserdichten Anschluss von Eck-, T- und Kreuzverbindungen
- Zum Ankleben an den Rinnenkörper
- Gewicht: 1 kg
Kombistirnwand
Stirnwand mit Lippenlabyrinthdichtung
Stirnwand mit Lippenlabyrinthdichtung
Stirnwand mit Lippenlabyrinthdichtung
Stirnwand mit Lippenlabyrinthdichtung
Adapter für Fließrichtungswechsel
Adapter für Fließrichtungswechsel
Adapter für Fließrichtungswechsel
Adapter für Fließrichtungswechsel
Stirnwand für Rinnenende (LLD)
Passend für
- Multiline Seal in / Multiline NX
- V 100 S 0.
Beschreibung
- Aus Polymerbeton
- Mit integrierter Lippenlabyrinthdichtung (LLD) DN/OD 110 für horizontalen, wasserdichten Rohranschluss
- Mit Kantenschutz Stahl verzinkt
- Baulänge 30 mm
- Preis 01.01.2026 in € (zzgl. Umsatzsteuer): 35,25
- Rabattgruppe: ML
- Gewicht: 1,4 kg
Stirnwand für Rinnenende (LLD)
Passend für
- Multiline Seal in / Multiline NX
- V 100 S 5.
Beschreibung
- Aus Polymerbeton
- Mit integrierter Lippenlabyrinthdichtung (LLD) DN/OD 110 für horizontalen, wasserdichten Rohranschluss
- Mit Kantenschutz Stahl verzinkt
- Baulänge 30 mm
- Preis 01.01.2026 in € (zzgl. Umsatzsteuer): 35,25
- Rabattgruppe: ML
- Gewicht: 1,5 kg
Stirnwand für Rinnenende (LLD)
Passend für
- Multiline Seal in / Multiline NX
- V 100 S 10.
Beschreibung
- Aus Polymerbeton
- Mit integrierter Lippenlabyrinthdichtung (LLD) DN/OD 110 für horizontalen, wasserdichten Rohranschluss
- Mit Kantenschutz Stahl verzinkt
- Baulänge 30 mm
- Preis 01.01.2026 in € (zzgl. Umsatzsteuer): 35,25
- Rabattgruppe: ML
- Gewicht: 1,7 kg
Adapter für Fließrichtungswechsel
Adapter für Fließrichtungswechsel
Adapter für Fließrichtungswechsel
Adapter für Eck-, T- und Kreuzverbindungen
Adapter für Eck-, T- und Kreuzverbindungen
Passend für
- Multiline Seal in / Multiline NX
- V 100 S 5.
Beschreibung
- Aus Polymerbeton
- Mit Kantenschutz Stahl verzinkt
- Baulänge 14 mm
- Zum wasserdichten Anschluss von Eck-, T- und Kreuzverbindungen
- Zum Ankleben an den Rinnenkörper
- Preis 01.01.2026 in € (zzgl. Umsatzsteuer): 35,25
- Rabattgruppe: ML
- Gewicht: 1,1 kg
Adapter für Eck-, T- und Kreuzverbindungen
Passend für
- Multiline Seal in / Multiline NX
- V 100 S 10.
Beschreibung
- Aus Polymerbeton
- Mit Kantenschutz Stahl verzinkt
- Baulänge 14 mm
- Zum wasserdichten Anschluss von Eck-, T- und Kreuzverbindungen
- Zum Ankleben an den Rinnenkörper
- Preis 01.01.2026 in € (zzgl. Umsatzsteuer): 35,25
- Rabattgruppe: ML
- Gewicht: 1,3 kg
Silikonfett
Passend für
Seal in Technologie
- NW 100
- Typ 0.0: ca. 40 Rinnenstöße
- Typ 10.0: ca. 30 Rinnenstöße
- Typ 20.0: ca. 20 Rinnenstöße
- NW 150
- Typ 0.0: ca. 30 Rinnenstöße
- Typ 10.0: ca. 20 Rinnenstöße
- Typ 20.0: ca. 10 Rinnenstöße
- NW 200
- Typ 0.0: ca. 20 Rinnenstöße
- Typ 10.0: ca. 15 Rinnenstöße
- Typ 20.0: ca. 12 Rinnenstöße
- NW 300
- Typ 0.0: ca. 10 Rinnenstöße
- Typ 10.0: ca. 7 Rinnenstöße
- Typ 20.0: ca. 5 Rinnenstöße
Beschreibung
- Entspricht der Leitlinie des UBA für Sanitärschmierstoffe, lebenmitteltechnischer Schmierstoff gemäß EN ISO 21469, Trinkwasser geeignet, O-Ring verträglich
- Inhalt: 23g
- Preis 01.01.2026 in € (zzgl. Umsatzsteuer): 7,50
- Rabattgruppe: ML
- Gewicht: 0,1 kg
Geruchsverschluss
Laubfang
Rohrstutzen
Geruchsverschluss
Geruchsverschluss
Zwischenelement (Edelstahl)
Zwischenelement (Gusseisen)
Brandschutz-Einsatz
Polyesterklebemasse
Rosthaken
Rosthaken, klein
Universal Aushebewerkzeug für Revisionselemente
Endkappe für Schlitzrahmen
Endkappe für Schlitzrahmen
Endkappe für Schlitzrahmen
Endkappe für Schlitzrahmen
Endkappe für Schlitzrahmen
Trafo Eyeleds
Verlängerungskabel Eyeleds
Basisset Lichtpunkt
Basisset Lichtpunkt
Kabel Lichtpunkt
Kabel Lichtpunkt
Kabel Lichtpunkt
Erweiterungsset Lichtpunkt










































