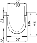
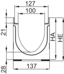
ACO DRAIN® Multiline NX - Rinnenkörper mit Sohlengefälle, 1000 mm
Produktvorteile
- Rinnenkörper aus neu entwickeltem ACO Werkstoff NEXITE®
- Hohe Packungsdichte durch mineralische Feinstfüllstoffe
- Besondere Festigkeit und Belastbarkeit
- Recyclebar und umweltzertifiziert (gemäß KIWA-Prüfsiegel BRL 5070)
- Wasserdichter Rinnenstrang durch Seal in Technologie (gemäß IKT-Prüfsiegel D01398)
- Serienmäßig mit EPDM-Dichtung im Rinnenstoß
- Gewohnt einfacher Einbau
- Grundwasser- und Bauwerkschutz
- Für ein kontrolliertes Regenwassermanagement
- Verbesserte Selbstreinigung durch V-Querschnitt und durchgängig glatte Rinnensohle
- Mit schraubloser Rostarretierung Drainlock
Produktinformationen
- Rinnensystem gemäß DIN EN 1433/ DIN 19580
- Nennweite 100 mm
- Kantenschutz Stahl verzinkt, Kunststoff oder Gusseisen (KTL beschichtet)
- Stahl verzinkt und Gusseisen: A 15 – E 600
- Kunststoff: A 15 – C 250
- Zur Verlegung mit integriertem Sohlengefälle 0,5 %
- Sämtliche Rinnenkörper direkt an den Einlaufkasten anschließbar
- Kombinationsmöglichkeiten für den Rinnenkörper:
- Typ 5 – 5.0 – 5.0.2 – 5.1
- Typ 10 – 10.0 – 10.0.2 – 10.1

ACO Drain Roste, NW 100, Klasse A 15

ACO Drain Roste, NW 100, Klasse B 125

ACO Drain Roste, NW 100, Klasse C 250

ACO Schlitzrahmen, NW 100, Klasse C 250

ACO Drain Roste, NW 100, Klasse D 400

ACO Schlitzrahmen, NW 100, Klasse D 400

ACO Drain Roste, NW 100, Klasse E 600
Laubfang
Geruchsverschluss
Rohrstutzen
Geruchsverschluss
Rosthaken
Universal Aushebewerkzeug für Revisionselemente
Zwischenelement (Edelstahl)
Polyesterklebemasse
Trafo Eyeleds
Verlängerungskabel Eyeleds
Kabel Lichtpunkt
Kabel Lichtpunkt
Kabel Lichtpunkt
Basisset Lichtpunkt
Basisset Lichtpunkt
Erweiterungsset Lichtpunkt
Erweiterungsset Lichtpunkt
Rosthaken, klein
Kombistirnwand
Stirnwand für Rinnenende (LLD)
Passend für
- Multiline Seal in / Multiline NX
- V 100 S 0.
Beschreibung
- Aus Polymerbeton
- Mit integrierter Lippenlabyrinthdichtung (LLD) DN/OD 110 für horizontalen, wasserdichten Rohranschluss
- Mit Kantenschutz Stahl verzinkt
- Baulänge 30 mm
- Preis 01.01.2026 in € (zzgl. Umsatzsteuer): 35,25
- Rabattgruppe: ML
- Gewicht: 1,4 kg
Stirnwand für Rinnenende (LLD)
Passend für
- Multiline Seal in / Multiline NX
- V 100 S 5.
Beschreibung
- Aus Polymerbeton
- Mit integrierter Lippenlabyrinthdichtung (LLD) DN/OD 110 für horizontalen, wasserdichten Rohranschluss
- Mit Kantenschutz Stahl verzinkt
- Baulänge 30 mm
- Preis 01.01.2026 in € (zzgl. Umsatzsteuer): 35,25
- Rabattgruppe: ML
- Gewicht: 1,5 kg
Stirnwand für Rinnenende (LLD)
Passend für
- Multiline Seal in / Multiline NX
- V 100 S 10.
Beschreibung
- Aus Polymerbeton
- Mit integrierter Lippenlabyrinthdichtung (LLD) DN/OD 110 für horizontalen, wasserdichten Rohranschluss
- Mit Kantenschutz Stahl verzinkt
- Baulänge 30 mm
- Preis 01.01.2026 in € (zzgl. Umsatzsteuer): 35,25
- Rabattgruppe: ML
- Gewicht: 1,7 kg
Adapter für Fließrichtungswechsel
Adapter für Fließrichtungswechsel
Adapter für Fließrichtungswechsel
Adapter für Eck-, T- und Kreuzverbindungen
Adapter für Eck-, T- und Kreuzverbindungen
Passend für
- Multiline Seal in / Multiline NX
- V 100 S 5.
Beschreibung
- Aus Polymerbeton
- Mit Kantenschutz Stahl verzinkt
- Baulänge 14 mm
- Zum wasserdichten Anschluss von Eck-, T- und Kreuzverbindungen
- Zum Ankleben an den Rinnenkörper
- Preis 01.01.2026 in € (zzgl. Umsatzsteuer): 35,25
- Rabattgruppe: ML
- Gewicht: 1,1 kg
Adapter für Eck-, T- und Kreuzverbindungen
Passend für
- Multiline Seal in / Multiline NX
- V 100 S 10.
Beschreibung
- Aus Polymerbeton
- Mit Kantenschutz Stahl verzinkt
- Baulänge 14 mm
- Zum wasserdichten Anschluss von Eck-, T- und Kreuzverbindungen
- Zum Ankleben an den Rinnenkörper
- Preis 01.01.2026 in € (zzgl. Umsatzsteuer): 35,25
- Rabattgruppe: ML
- Gewicht: 1,3 kg
Silikonfett
Passend für
Seal in Technologie
- NW 100
- Typ 0.0: ca. 40 Rinnenstöße
- Typ 10.0: ca. 30 Rinnenstöße
- Typ 20.0: ca. 20 Rinnenstöße
- NW 150
- Typ 0.0: ca. 30 Rinnenstöße
- Typ 10.0: ca. 20 Rinnenstöße
- Typ 20.0: ca. 10 Rinnenstöße
- NW 200
- Typ 0.0: ca. 20 Rinnenstöße
- Typ 10.0: ca. 15 Rinnenstöße
- Typ 20.0: ca. 12 Rinnenstöße
- NW 300
- Typ 0.0: ca. 10 Rinnenstöße
- Typ 10.0: ca. 7 Rinnenstöße
- Typ 20.0: ca. 5 Rinnenstöße
Beschreibung
- Entspricht der Leitlinie des UBA für Sanitärschmierstoffe, lebenmitteltechnischer Schmierstoff gemäß EN ISO 21469, Trinkwasser geeignet, O-Ring verträglich
- Inhalt: 23g
- Preis 01.01.2026 in € (zzgl. Umsatzsteuer): 7,50
- Rabattgruppe: ML
- Gewicht: 0,1 kg
Geruchsverschluss
Endkappe für Schlitzrahmen
Endkappe für Schlitzrahmen
Zwischenelement (Gusseisen)
Brandschutz-Einsatz
Endkappe für Schlitzrahmen
Endkappe für Schlitzrahmen
Endkappe für Schlitzrahmen
Kombistirnwand
Stirnwand mit Lippenlabyrinthdichtung
Stirnwand mit Lippenlabyrinthdichtung
Stirnwand mit Lippenlabyrinthdichtung
Adapter für Eck-, T- und Kreuzverbindungen
Adapter für Eck-, T- und Kreuzverbindungen
Adapter für Eck-, T- und Kreuzverbindungen
Adapter für Eck-, T- und Kreuzverbindungen
Passend für
- Multiline NX (Gusseisen und Kunstoff)
- V 100, Typ 20
Beschreibung
- Preis 01.01.2026 in € (zzgl. Umsatzsteuer):
- Rabattgruppe:
- Aus Polymerbeton
- Mit schwarz beschichtetem Kantenschutz
- Baulänge 14 mm
- Zum wasserdichten Anschluss von Eck-, T- und Kreuzverbindungen
- Zum Ankleben an den Rinnenkörper
- Gewicht: 1 kg
Adapter für Fließrichtungswechsel
Adapter für Fließrichtungswechsel
Adapter für Fließrichtungswechsel

ACO Drain Roste, NW 100, Klasse A 15

ACO Drain Roste, NW 100, Klasse B 125

ACO Drain Roste, NW 100, Klasse C 250

ACO Schlitzrahmen, NW 100, Klasse C 250

ACO Drain Roste, NW 100, Klasse D 400

ACO Schlitzrahmen, NW 100, Klasse D 400

ACO Drain Roste, NW 100, Klasse E 600
Laubfang
Geruchsverschluss
Rohrstutzen
Geruchsverschluss
Rosthaken
Universal Aushebewerkzeug für Revisionselemente
Zwischenelement (Edelstahl)
Polyesterklebemasse
Trafo Eyeleds
Verlängerungskabel Eyeleds
Kabel Lichtpunkt
Kabel Lichtpunkt
Kabel Lichtpunkt
Basisset Lichtpunkt
Basisset Lichtpunkt
Erweiterungsset Lichtpunkt
Erweiterungsset Lichtpunkt
Rosthaken, klein
Kombistirnwand
Stirnwand für Rinnenende (LLD)
Passend für
- Multiline Seal in / Multiline NX
- V 100 S 0.
Beschreibung
- Aus Polymerbeton
- Mit integrierter Lippenlabyrinthdichtung (LLD) DN/OD 110 für horizontalen, wasserdichten Rohranschluss
- Mit Kantenschutz Stahl verzinkt
- Baulänge 30 mm
- Preis 01.01.2026 in € (zzgl. Umsatzsteuer): 35,25
- Rabattgruppe: ML
- Gewicht: 1,4 kg
Stirnwand für Rinnenende (LLD)
Passend für
- Multiline Seal in / Multiline NX
- V 100 S 5.
Beschreibung
- Aus Polymerbeton
- Mit integrierter Lippenlabyrinthdichtung (LLD) DN/OD 110 für horizontalen, wasserdichten Rohranschluss
- Mit Kantenschutz Stahl verzinkt
- Baulänge 30 mm
- Preis 01.01.2026 in € (zzgl. Umsatzsteuer): 35,25
- Rabattgruppe: ML
- Gewicht: 1,5 kg
Stirnwand für Rinnenende (LLD)
Passend für
- Multiline Seal in / Multiline NX
- V 100 S 10.
Beschreibung
- Aus Polymerbeton
- Mit integrierter Lippenlabyrinthdichtung (LLD) DN/OD 110 für horizontalen, wasserdichten Rohranschluss
- Mit Kantenschutz Stahl verzinkt
- Baulänge 30 mm
- Preis 01.01.2026 in € (zzgl. Umsatzsteuer): 35,25
- Rabattgruppe: ML
- Gewicht: 1,7 kg
Adapter für Fließrichtungswechsel
Adapter für Fließrichtungswechsel
Adapter für Fließrichtungswechsel
Adapter für Eck-, T- und Kreuzverbindungen
Adapter für Eck-, T- und Kreuzverbindungen
Passend für
- Multiline Seal in / Multiline NX
- V 100 S 5.
Beschreibung
- Aus Polymerbeton
- Mit Kantenschutz Stahl verzinkt
- Baulänge 14 mm
- Zum wasserdichten Anschluss von Eck-, T- und Kreuzverbindungen
- Zum Ankleben an den Rinnenkörper
- Preis 01.01.2026 in € (zzgl. Umsatzsteuer): 35,25
- Rabattgruppe: ML
- Gewicht: 1,1 kg
Adapter für Eck-, T- und Kreuzverbindungen
Passend für
- Multiline Seal in / Multiline NX
- V 100 S 10.
Beschreibung
- Aus Polymerbeton
- Mit Kantenschutz Stahl verzinkt
- Baulänge 14 mm
- Zum wasserdichten Anschluss von Eck-, T- und Kreuzverbindungen
- Zum Ankleben an den Rinnenkörper
- Preis 01.01.2026 in € (zzgl. Umsatzsteuer): 35,25
- Rabattgruppe: ML
- Gewicht: 1,3 kg
Silikonfett
Passend für
Seal in Technologie
- NW 100
- Typ 0.0: ca. 40 Rinnenstöße
- Typ 10.0: ca. 30 Rinnenstöße
- Typ 20.0: ca. 20 Rinnenstöße
- NW 150
- Typ 0.0: ca. 30 Rinnenstöße
- Typ 10.0: ca. 20 Rinnenstöße
- Typ 20.0: ca. 10 Rinnenstöße
- NW 200
- Typ 0.0: ca. 20 Rinnenstöße
- Typ 10.0: ca. 15 Rinnenstöße
- Typ 20.0: ca. 12 Rinnenstöße
- NW 300
- Typ 0.0: ca. 10 Rinnenstöße
- Typ 10.0: ca. 7 Rinnenstöße
- Typ 20.0: ca. 5 Rinnenstöße
Beschreibung
- Entspricht der Leitlinie des UBA für Sanitärschmierstoffe, lebenmitteltechnischer Schmierstoff gemäß EN ISO 21469, Trinkwasser geeignet, O-Ring verträglich
- Inhalt: 23g
- Preis 01.01.2026 in € (zzgl. Umsatzsteuer): 7,50
- Rabattgruppe: ML
- Gewicht: 0,1 kg
Geruchsverschluss
Endkappe für Schlitzrahmen
Endkappe für Schlitzrahmen
Zwischenelement (Gusseisen)
Brandschutz-Einsatz
Endkappe für Schlitzrahmen
Endkappe für Schlitzrahmen
Endkappe für Schlitzrahmen
Kombistirnwand
Stirnwand mit Lippenlabyrinthdichtung
Stirnwand mit Lippenlabyrinthdichtung
Stirnwand mit Lippenlabyrinthdichtung
Adapter für Eck-, T- und Kreuzverbindungen
Adapter für Eck-, T- und Kreuzverbindungen
Adapter für Eck-, T- und Kreuzverbindungen
Adapter für Eck-, T- und Kreuzverbindungen
Passend für
- Multiline NX (Gusseisen und Kunstoff)
- V 100, Typ 20
Beschreibung
- Preis 01.01.2026 in € (zzgl. Umsatzsteuer):
- Rabattgruppe:
- Aus Polymerbeton
- Mit schwarz beschichtetem Kantenschutz
- Baulänge 14 mm
- Zum wasserdichten Anschluss von Eck-, T- und Kreuzverbindungen
- Zum Ankleben an den Rinnenkörper
- Gewicht: 1 kg
Adapter für Fließrichtungswechsel
Adapter für Fließrichtungswechsel
Adapter für Fließrichtungswechsel


































