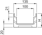
ACO DRAIN® Multiline - Flachrinnen ohne Sohlengefälle, 1000 mm
Produktvorteile
- Mit ACO DRAIN® Sicherheitsfalz (SF)
 - Mit schraubloser Arretierung Drainlock
 - Mit V-Querschnitt
 - Rinnenkörper aus Polymerbeton
 
- Mit ACO DRAIN® Sicherheitsfalz (SF)
 - Mit schraubloser Arretierung Drainlock
 - Rinnenkörper aus Polymerbeton
 
Produktinformationen
- Rinnensystem gemäß DIN EN 1433/DIN 19580
 - Nennweite 100 mm
 - Klassen A 15 – E 600
 - Wahlweise in den Kantenschutzausführungen Stahl verzinkt, Edelstahl oder Gusseisen EN-GJS
 
- Wahlweise mit oder ohne senkrechtem, flüssigkeitsdichtem Rohranschluss
 - Ausführung mit senkrechtem, flüssigkeitsdichtem Rohranschluss mit Lippenlabyrinthdichtung (LLD) aus NBR
 - Passende Kombinationen in der Bauhöhe (BH) beispielhaft anhand der Ausführung Stahl verzinkt sind:
- 12327 und 12328 (BH 60)
 - 12323 und 12324 (BH 80)
 - 12321 und 12322 (BH 100)
 
 

ACO Drain Roste, NW 100, Klasse A 15

ACO Drain Roste, NW 100, Klasse B 125

ACO Drain Roste, NW 100, Klasse C 250

ACO Schlitzrahmen, NW 100, Klasse C 250

ACO Drain Roste, NW 100, Klasse D 400

ACO Schlitzrahmen, NW 100, Klasse D 400

ACO Drain Roste, NW 100, Klasse E 600
Kombistirnwand (Flachrinne)
Kombistirnwand (Flachrinne)
Kombistirnwand (Flachrinne)
Stirnwand mit Stutzen für Rinnenende (Flachrinne)
Stirnwand mit Stutzen für Rinnenende (Flachrinne)
Stirnwand mit Stutzen für Rinnenende (Flachrinne)
Kombistirnwand (Flachrinne)
Kombistirnwand (Flachrinne)
Kombistirnwand (Flachrinne)
Stirnwand mit Stutzen für Rinnenende (Flachrinne)
Stirnwand mit Stutzen für Rinnenende (Flachrinne)
Stirnwand mit Stutzen für Rinnenende (Flachrinne)
Stirnwand für Rinnenende (PE-HD Rohrstutzen)
Passend für
- V 100 G 20.
 
Beschreibung
- Aus Polymerbeton
 - Mit eingegossenem PE-HD Rohrstutzen (SDR 17,6) DN/OD 110 für horizontalen, flüssigkeitsdichten Rohranschluss speziell für die Verwendung nach abZ geeignet
 - Mit Kantenschutz Gusseisen EN-GJS
 - Baulänge 90 mm
 - Preis 01.01.2025 in € (zzgl. Umsatzsteuer): Auf Anfrage
 - Rabattgruppe:
 - Gewicht: 7,3 kg
 
Kombistirnwand (Flachrinne)
Kombistirnwand (Flachrinne)
Rohrstutzen
Zwischenelement (Edelstahl)
Zwischenelement (Gusseisen)
Brandschutz-Einsatz
Passend für
- Zwischenelement (Gusseisen)
- Art. 7034.10.12
 
 
Beschreibung
- Hinweis:
- Die Abflussleistung wird durch Einsatz reduziert
 - Bei Kernlochbohrung muss Fit-in mit eingebaut werden
 
 - aBG: Z-19.53-2439
 - abZ: Z-19.17-2430
 - Preis 01.01.2025 in € (zzgl. Umsatzsteuer): 130,00
 - Rabattgruppe: SZ
 - Gewicht: 0,5 kg
 - Preis/Stk. UVP zzgl. USt. 2025 [€]: 171,20 €
 - Rabattgruppe: 1
 
Polyesterklebemasse
Herausnehmbarer Schmutzfang
Rosthaken

ACO Drain Roste, NW 100, Klasse A 15

ACO Drain Roste, NW 100, Klasse B 125

ACO Drain Roste, NW 100, Klasse C 250

ACO Schlitzrahmen, NW 100, Klasse C 250

ACO Drain Roste, NW 100, Klasse D 400

ACO Schlitzrahmen, NW 100, Klasse D 400

ACO Drain Roste, NW 100, Klasse E 600
Kombistirnwand (Flachrinne)
Kombistirnwand (Flachrinne)
Kombistirnwand (Flachrinne)
Stirnwand mit Stutzen für Rinnenende (Flachrinne)
Stirnwand mit Stutzen für Rinnenende (Flachrinne)
Stirnwand mit Stutzen für Rinnenende (Flachrinne)
Kombistirnwand (Flachrinne)
Kombistirnwand (Flachrinne)
Kombistirnwand (Flachrinne)
Stirnwand mit Stutzen für Rinnenende (Flachrinne)
Stirnwand mit Stutzen für Rinnenende (Flachrinne)
Stirnwand mit Stutzen für Rinnenende (Flachrinne)
Stirnwand für Rinnenende (PE-HD Rohrstutzen)
Passend für
- V 100 G 20.
 
Beschreibung
- Aus Polymerbeton
 - Mit eingegossenem PE-HD Rohrstutzen (SDR 17,6) DN/OD 110 für horizontalen, flüssigkeitsdichten Rohranschluss speziell für die Verwendung nach abZ geeignet
 - Mit Kantenschutz Gusseisen EN-GJS
 - Baulänge 90 mm
 - Preis 01.01.2025 in € (zzgl. Umsatzsteuer): Auf Anfrage
 - Rabattgruppe:
 - Gewicht: 7,3 kg
 
Kombistirnwand (Flachrinne)
Kombistirnwand (Flachrinne)
Rohrstutzen
Zwischenelement (Edelstahl)
Zwischenelement (Gusseisen)
Brandschutz-Einsatz
Passend für
- Zwischenelement (Gusseisen)
- Art. 7034.10.12
 
 
Beschreibung
- Hinweis:
- Die Abflussleistung wird durch Einsatz reduziert
 - Bei Kernlochbohrung muss Fit-in mit eingebaut werden
 
 - aBG: Z-19.53-2439
 - abZ: Z-19.17-2430
 - Preis 01.01.2025 in € (zzgl. Umsatzsteuer): 130,00
 - Rabattgruppe: SZ
 - Gewicht: 0,5 kg
 - Preis/Stk. UVP zzgl. USt. 2025 [€]: 171,20 €
 - Rabattgruppe: 1
 
Polyesterklebemasse
Herausnehmbarer Schmutzfang
Rosthaken



















