Rinnenkörper als Absenkstein und Mittelstück für Grundstückseinfahrten
Produktvorteile
- Werkstoff: Polymerbeton
- Monolithische Bauweise ohne Klebefuge, grau durchgefärbt
- 2in1 - Bordstein und Entwässerung in einem Produkt
Produktinformationen
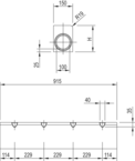
- Rinnensystem gemäß DIN EN 1433/DIN 19580
- Nennweite 100 mm
- Klassen A 15 – D 400
- Absenksteine mit 10% Neigung (1-teilig)
- Mittelsteine mit und ohne Einlauföffnungen
Kombistirnwand
Kombistirnwand
Rosthaken
Rosthaken, klein
Kombistirnwand
Kombistirnwand
Rosthaken
Rosthaken, klein









