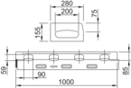
Rinnenkörper, 1000 mm
Produktvorteile
- Werkstoff: Polymerbeton
- Monolithische Bauweise ohne Klebefuge, grau durchgefärbt
- Mit integrierter Dichtung
- Mit integrierten Schraubhülsen (M12) für nachträgliche Rückverankerung in der Brückenkappe (4Stk/m)
Produktinformationen
- Rinnensystem gemäß DIN EN 1433
- Nennweite 200 mm
- Klassen A 15 – D 400
- Bordhöhe 75 mm
- Erläuterung:
- Typ links: Position Dichtung auf der Auslaufseite links (siehe Rendering)
- Typ rechts: Position Dichtung auf der Auslaufseite rechts (nicht dargestellt)
Infobox
BIM
Die aktuellste BIM Revit Version finden Sie direkt am Produkt.
Weitere Revit Versionen finden Sie unter: BIM.
Stirnwand
Zwischenelement (Gusseisen)
Stirnwand
Zwischenelement (Gusseisen)






