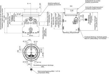
Muli-Flex Behältereinheit für den Rohbauer
Produktvorteile
- Geprüft gemäß DIN EN 12050-1
- Kann je nach Aufsatzstück für fäkalienfreies und fäkalienhaltiges Abwasser eingesetzt werden
- Pumpen- Kupplungsautomatik für werkzeuglose Montage und Demontage
- Behälter-Gesamtvolumen: 380l
- Mauerkragen gegen drückendes Grundwasser (Zubehör)
Produktinformationen
- Anwendungsbereiche
- Mehrfamilienhäuser, Bürogebäude, Industriegebäude
- Waschküchen, Parkhäuser, Technikräume
- Mono- oder duo- Ausführung
- Für den Einbau in die Bodenplatte
- Sammelbehälter aus Polyethylen
- Große Revisionsöffnung zur einfachen Wartung: ø 480 mm
- Behälterabmessungen (DxH): Ø800 x 1000 mm
- Pumpen- Traverse mit Doppel-Spezial-Kugel-Rückflussverhinderer, werkzeuglose De-/Montage der Pumpe per Überwasserkupplungsautomatik,
- Anschluss Zulaufleitung (Min Z1: 30 l bis Max Z2: 170 l):
- 1 x Zulauf DN 100 Forsheda, Zulaufhöhe 875 mm Rohrsohle ab OK RFB, NV= 30 Liter
- 1 x Zulauf DN 100 Forsheda, Zulaufhöhe 805 mm Rohrsohle ab OK RFB, NV= 50 Liter
- 2 x Zulauf DN 100 Spitzende, Zulaufhöhe 655 mm Rohrsohle ab OK RFB, NV= 100 Liter
- 1 x Zulauf DN 150 Spitzende, Zulaufhöhe 630 mm Rohrsohle ab OK RFB, NV= 105 Liter
- 1 x Zulauf DN 100 Spitzende, Zulaufhöhe 605 mm Rohrsohle ab OK RFB, NV= 115 Liter
- 1 x Zulauf DN 100 Forsheda, Zulaufhöhe 455 mm Rohrsohle ab OK RFB, NV= 170 Liter
- Anschluss Druckleitung:
- Druckabgang PE-HD: Spitzende DN50 (Ø50mm)
- Klemmverschraubung mit Übergang auf 1 ½" IG beiliegend
- Anschluss Entlüftungsleitung:
- Stutzen DN 70 für Kunststoffrohr geeignet
- Anschlusshöhe: 437,5 mm Rohrsohle ab OKRFB
- Weitere Anschlüsse:
- Kabeldurchführung DN100 Spitzende, 455 mm Rohrsohle ab OK RFB
- Flexible Gesamteinbautiefe millimetergenau mit bauseits kürzbarem PE- Aufsatzstück: 1070 – 1400 mm
Signalanlage
Passend für
- Fäkalien-Rückstauautomaten Quatrix‑K Typ 3F
- Alle Muli Abwasserhebeanlagen
- Vorbehälteranlage-duo
- Muli-Max
- Powerlift–P / Powerlift-P/F-H
- Sinkamat –K/-KD
- Sinkamat-Z
- Sinkamat-K (Unterflur)
- Duo
- LipuLift-P
Beschreibung
- Selbstaufladend
- Mit potentialfreiem Kontakt
- Optisch und akustisch
- Ohne Kontaktgeber
- Zur Montage außerhalb des Ex-Bereiches
- Abmessungen: 175 x 125 x 75 mm B x H x T
- Schutzart: IP65
- Betriebsspannung: 230 V/AC 50/60 Hz
- Steckerfertig mit Kabel: 2 m
- Gewicht: 1,4 kg
- Preis/Stk. UVP zzgl. USt. 2025 [€]: 401,74 €
- Rabattgruppe: 12
Set aus Anschluss- und Überflutungsmodul
Passend für
- Rückstauverschlüsse Triplex-K
- DN 100 – DN 150
- Rückstauverschlüsse Quatrix-K
- Alle Abwasserhebeanlagen
- Alle Abscheider
- Vorbehälteranlage-duo
Beschreibung
- Meldung einer Leckage ausgelöst durch z.B. Rohrbruch
- Für elektrisch leitende Flüssigkeiten
- Optische und akustische Alarmmeldung ca. >85 dB
- Potentialfreier Kontakt zur Störungsweiterleitung
- Schutzart: Steuerung IP 54; Fühler: IP68
- Betriebspannung: 230 V/AC 50/60 Hz
- Steckerfertig: 1,4 m
- Überflutungsmelder mit 10 m Kabel
- Gewicht: 1,1 kg
- Preis/Stk. UVP zzgl. USt. 2025 [€]: 333,90 €
- Rabattgruppe: 12
Absperrschieber R 1½"
Dreiwegehahn R 1½"
Kontaktgeber
Passend für
- Signalanlage 0150.26.73
- Für fäkalienfreies Abwasserwasser
- Tauchpumpen "Sat"
- Hochalarmschwimmer für MultiControl- Steuerungen
Beschreibung
- Für separate Signalanlage/potentialfreie Störmeldung Niveau
- Gehäuse aus Kunststoff, Werkstoff Polypropylen
- Anschlusskabel: 10 m
- Schutzart: IP 68/2 bar
- Schaltleistung: 5 A/250 V
- Schaltwinkel: 10°
- Gewicht: 0,5 kg
- Preis/Stk. UVP zzgl. USt. 2025 [€]: 197,16 €
- Rabattgruppe: 12
Handmembranpumpe R 1½"
Schaltgerät ACO Multi Control Mono Advanced
Passend für
- Muli-Max
- Mono-Anlage
Beschreibung
- Für Pumpen bis 5,5 kW
- Steckerfertig mit 1,5 m Anschlusskabel
- CEE 16-Stecker mit Phasenwender
- 20 m pneumatischer Steuerleitung 10 x 1,5 mm
- Staudruckglocke
- Kabeldurchführung
- Betriebsspannung: 400 V
- Frequenz: 50/60 Hz
- Steuerspannung: 230 V/AC
- Leistungsaufnahme im Ruhebetrieb: max. 8 VA
- Temperaturbereich: ‑20 bis +60 °C
- Schutzart IP 54
- Netzunabhängiger Alarm per 9V-Akku (85dBA, 5-6h)
- Gewicht: 4 kg
- Preis/Stk. UVP zzgl. USt. 2025 [€]: 867,08 €
- Rabattgruppe: 12
Schaltgerät ACO Multi Control Duo Advanced (inkl. Staudruckglocke)
Passend für
- Muli-Max
- Duo-Anlage
- Powerlift–P / Powerlift-P/F-H
- Muli-Flex
Beschreibung
- Für Pumpen bis 5,5 kW
- Steckerfertig mit 1,5 m Anschlusskabel
- Betriebsspannung: 400 V
- Frequenz: 50/60 Hz
- Steuerspannung: 230 V/AC
- Leistungsaufnahme im Ruhebetrieb: max. 10 VA
- Temperaturbereich: ‑20 bis +60 °C
- Schutzart IP 54
- CEE 16-Stecker mit Phasenwender
- Umrüstbar auf CEE 32 mit Art.Nr. 0150.79.75 (5G4 mit CEE 32 Stecker)
- 20 m pneumatischer Steuerleitung 8 x 6 mm
- Gewicht: 5,4 kg
- Preis/Stk. UVP zzgl. USt. 2025 [€]: 1.447,96 €
- Rabattgruppe: 12
Lufteinperlung
Passend für
- Muli-Max
- Powerlift–P
- Muli-Flex
Beschreibung
- Zur Erhöhung der Betriebssicherheit (bei Schwimmdeckenbildung, z.B. bei Fettabscheidern)
- Für pneumatische Niveauschaltung (Staudruckglocke)
- Kleinstkompressor
- Anschluss: 230 V
- Steckerfertig
- Mit T-Einschraubverschraubung
- Mit Rückschlagventil
- Gewicht: 0,6 kg
- Preis/Stk. UVP zzgl. USt. 2025 [€]: 429,30 €
- Rabattgruppe: 12
Signalhupe
Passend für
- Pumpstationen mit Schaltgerät ACO MultiControl
- Abwasserhebeanlagen mit Schaltgerät ACO Multi Control
- LipuSmart-P
- LipuLift-P
Beschreibung
- Betriebsspannung: 230 V AC
- Stromaufnahme: 30 mA
- Abmessung: Ø62x85 mm (L/B x T)
- Schutzart: IP66
- 95 dB(A)
- Gewicht: 0,3 kg
- Preis/Stk. UVP zzgl. USt. 2025 [€]: 306,34 €
- Rabattgruppe: 12
Blitzleuchte
Druckaufnehmer
Passend für
- Schaltgerät ACO Multi-Control
- Mono und Duo
- LipuLift-P/LipuLift-PF
- Powerlift-P/F-H
- Muli-Flex
Beschreibung
- Aufnahme 4 – 20 mA
- Zur sicheren Schaltung Leitungslängen > 12 m
- 0 – 200 mbar
- Bei Einsatz in fäkalienhaltigen Abwässern ist zusätzlich die Ex-Barriere zu verwenden.
- Mit Kabel zur Installation: 20 m
- Gewicht: 2 kg
- Preis/Stk. UVP zzgl. USt. 2025 [€]: 839,52 €
- Rabattgruppe: 12
Sicherheitsbarriere
Bohranschlussdichtung DN 110
Bohranschlussdichtung DN 150
Muli-Flex ÜF Umbauset
Absperrschieber DN 50
Kugelhahn 2"
6-kt Doppelnippel 2" x 2"
Signalanlage mit GSM-Modul
Passend für
- Alle Fettabscheider
- Fettschichtdicken-Messgerät
- Vorbehälteranlage-duo
- Verfahrenstechnische Anlagen
- Fäkalien-Rückstauautomaten Quatrix-K Typ 3F
- Sinkamat-K (Unterflur) duo
- Muli-Hebeanlagen
- Pumpstationen
- Einbausets
Beschreibung
- Preis 01.01.2025 in € (zzgl. Umsatzsteuer): 1418,00
- Rabattgruppe: G1
- Gewicht: 2 kg
- Preis/Stk. UVP zzgl. USt. 2025 [€]: 1.333,48 €
- Rabattgruppe: 12
Klebeflansch zu Muli-Flex
Abdichtungsflansch
Druckleitungsset AD 63 (ID 55)
Kabeldurchführung DN 100
Schwimmerschalter
Passend für
- Für fäkalienhaltiges sowie fäkalienfreies Abwasser
- MultiControl- Steuerungen als Schwimmerschalter
- MultiControl- Steuerungen als zusätzl. Hochalarmschwimmer
Beschreibung
- Preis 01.01.2025 in € (zzgl. Umsatzsteuer): 257,10
- Rabattgruppe: G1
- Preis/Stk. UVP zzgl. USt. 2025 [€]: 182,32 €
- Rabattgruppe: 12
Blitzleuchte
Signalanlage
Passend für
- Fäkalien-Rückstauautomaten Quatrix‑K Typ 3F
- Alle Muli Abwasserhebeanlagen
- Vorbehälteranlage-duo
- Muli-Max
- Powerlift–P / Powerlift-P/F-H
- Sinkamat –K/-KD
- Sinkamat-Z
- Sinkamat-K (Unterflur)
- Duo
- LipuLift-P
Beschreibung
- Selbstaufladend
- Mit potentialfreiem Kontakt
- Optisch und akustisch
- Ohne Kontaktgeber
- Zur Montage außerhalb des Ex-Bereiches
- Abmessungen: 175 x 125 x 75 mm B x H x T
- Schutzart: IP65
- Betriebsspannung: 230 V/AC 50/60 Hz
- Steckerfertig mit Kabel: 2 m
- Gewicht: 1,4 kg
- Preis/Stk. UVP zzgl. USt. 2025 [€]: 401,74 €
- Rabattgruppe: 12
Set aus Anschluss- und Überflutungsmodul
Passend für
- Rückstauverschlüsse Triplex-K
- DN 100 – DN 150
- Rückstauverschlüsse Quatrix-K
- Alle Abwasserhebeanlagen
- Alle Abscheider
- Vorbehälteranlage-duo
Beschreibung
- Meldung einer Leckage ausgelöst durch z.B. Rohrbruch
- Für elektrisch leitende Flüssigkeiten
- Optische und akustische Alarmmeldung ca. >85 dB
- Potentialfreier Kontakt zur Störungsweiterleitung
- Schutzart: Steuerung IP 54; Fühler: IP68
- Betriebspannung: 230 V/AC 50/60 Hz
- Steckerfertig: 1,4 m
- Überflutungsmelder mit 10 m Kabel
- Gewicht: 1,1 kg
- Preis/Stk. UVP zzgl. USt. 2025 [€]: 333,90 €
- Rabattgruppe: 12
Absperrschieber R 1½"
Dreiwegehahn R 1½"
Kontaktgeber
Passend für
- Signalanlage 0150.26.73
- Für fäkalienfreies Abwasserwasser
- Tauchpumpen "Sat"
- Hochalarmschwimmer für MultiControl- Steuerungen
Beschreibung
- Für separate Signalanlage/potentialfreie Störmeldung Niveau
- Gehäuse aus Kunststoff, Werkstoff Polypropylen
- Anschlusskabel: 10 m
- Schutzart: IP 68/2 bar
- Schaltleistung: 5 A/250 V
- Schaltwinkel: 10°
- Gewicht: 0,5 kg
- Preis/Stk. UVP zzgl. USt. 2025 [€]: 197,16 €
- Rabattgruppe: 12
Handmembranpumpe R 1½"
Schaltgerät ACO Multi Control Mono Advanced
Passend für
- Muli-Max
- Mono-Anlage
Beschreibung
- Für Pumpen bis 5,5 kW
- Steckerfertig mit 1,5 m Anschlusskabel
- CEE 16-Stecker mit Phasenwender
- 20 m pneumatischer Steuerleitung 10 x 1,5 mm
- Staudruckglocke
- Kabeldurchführung
- Betriebsspannung: 400 V
- Frequenz: 50/60 Hz
- Steuerspannung: 230 V/AC
- Leistungsaufnahme im Ruhebetrieb: max. 8 VA
- Temperaturbereich: ‑20 bis +60 °C
- Schutzart IP 54
- Netzunabhängiger Alarm per 9V-Akku (85dBA, 5-6h)
- Gewicht: 4 kg
- Preis/Stk. UVP zzgl. USt. 2025 [€]: 867,08 €
- Rabattgruppe: 12
Schaltgerät ACO Multi Control Duo Advanced (inkl. Staudruckglocke)
Passend für
- Muli-Max
- Duo-Anlage
- Powerlift–P / Powerlift-P/F-H
- Muli-Flex
Beschreibung
- Für Pumpen bis 5,5 kW
- Steckerfertig mit 1,5 m Anschlusskabel
- Betriebsspannung: 400 V
- Frequenz: 50/60 Hz
- Steuerspannung: 230 V/AC
- Leistungsaufnahme im Ruhebetrieb: max. 10 VA
- Temperaturbereich: ‑20 bis +60 °C
- Schutzart IP 54
- CEE 16-Stecker mit Phasenwender
- Umrüstbar auf CEE 32 mit Art.Nr. 0150.79.75 (5G4 mit CEE 32 Stecker)
- 20 m pneumatischer Steuerleitung 8 x 6 mm
- Gewicht: 5,4 kg
- Preis/Stk. UVP zzgl. USt. 2025 [€]: 1.447,96 €
- Rabattgruppe: 12
Lufteinperlung
Passend für
- Muli-Max
- Powerlift–P
- Muli-Flex
Beschreibung
- Zur Erhöhung der Betriebssicherheit (bei Schwimmdeckenbildung, z.B. bei Fettabscheidern)
- Für pneumatische Niveauschaltung (Staudruckglocke)
- Kleinstkompressor
- Anschluss: 230 V
- Steckerfertig
- Mit T-Einschraubverschraubung
- Mit Rückschlagventil
- Gewicht: 0,6 kg
- Preis/Stk. UVP zzgl. USt. 2025 [€]: 429,30 €
- Rabattgruppe: 12
Signalhupe
Passend für
- Pumpstationen mit Schaltgerät ACO MultiControl
- Abwasserhebeanlagen mit Schaltgerät ACO Multi Control
- LipuSmart-P
- LipuLift-P
Beschreibung
- Betriebsspannung: 230 V AC
- Stromaufnahme: 30 mA
- Abmessung: Ø62x85 mm (L/B x T)
- Schutzart: IP66
- 95 dB(A)
- Gewicht: 0,3 kg
- Preis/Stk. UVP zzgl. USt. 2025 [€]: 306,34 €
- Rabattgruppe: 12
Blitzleuchte
Druckaufnehmer
Passend für
- Schaltgerät ACO Multi-Control
- Mono und Duo
- LipuLift-P/LipuLift-PF
- Powerlift-P/F-H
- Muli-Flex
Beschreibung
- Aufnahme 4 – 20 mA
- Zur sicheren Schaltung Leitungslängen > 12 m
- 0 – 200 mbar
- Bei Einsatz in fäkalienhaltigen Abwässern ist zusätzlich die Ex-Barriere zu verwenden.
- Mit Kabel zur Installation: 20 m
- Gewicht: 2 kg
- Preis/Stk. UVP zzgl. USt. 2025 [€]: 839,52 €
- Rabattgruppe: 12
Sicherheitsbarriere
Bohranschlussdichtung DN 110
Bohranschlussdichtung DN 150
Muli-Flex ÜF Umbauset
Absperrschieber DN 50
Kugelhahn 2"
6-kt Doppelnippel 2" x 2"
Signalanlage mit GSM-Modul
Passend für
- Alle Fettabscheider
- Fettschichtdicken-Messgerät
- Vorbehälteranlage-duo
- Verfahrenstechnische Anlagen
- Fäkalien-Rückstauautomaten Quatrix-K Typ 3F
- Sinkamat-K (Unterflur) duo
- Muli-Hebeanlagen
- Pumpstationen
- Einbausets
Beschreibung
- Preis 01.01.2025 in € (zzgl. Umsatzsteuer): 1418,00
- Rabattgruppe: G1
- Gewicht: 2 kg
- Preis/Stk. UVP zzgl. USt. 2025 [€]: 1.333,48 €
- Rabattgruppe: 12
Klebeflansch zu Muli-Flex
Abdichtungsflansch
Druckleitungsset AD 63 (ID 55)
Kabeldurchführung DN 100
Schwimmerschalter
Passend für
- Für fäkalienhaltiges sowie fäkalienfreies Abwasser
- MultiControl- Steuerungen als Schwimmerschalter
- MultiControl- Steuerungen als zusätzl. Hochalarmschwimmer
Beschreibung
- Preis 01.01.2025 in € (zzgl. Umsatzsteuer): 257,10
- Rabattgruppe: G1
- Preis/Stk. UVP zzgl. USt. 2025 [€]: 182,32 €
- Rabattgruppe: 12
Blitzleuchte






























