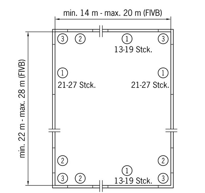
| Pos. | Bezeichnung | Art.-Nr. | min. Stück | max. Stück |
|---|---|---|---|---|
| 1 | Randstein 100x40x6 cm, Gummi schwarz | 01037 | 68 | 92 |
| 2 | Randstein 50x40x6 cm, Gummi schwarz | 01574 | 4 | 4 |
| 3 | Winkel 25/25x40x6 cm, Gummi schwarz | 01042 | 4 | 4 |
| Alternativ: | ||||
| 1 | Randstein 100x40x6 cm, Gummi weiß | 00964 | 68 | 92 |
| 2 | Randstein 50x40x6 cm, Gummi weiß | 01572 | 4 | 4 |
| 3 | Winkel 25/25x40x6 cm, Gummi weiß | 00969 | 4 | 4 |
Beachvolleyballanlagen und Spielplätze mit ACO SPORT® Elastic-Randsteinen
Sicherheit und Flexibilität für maximales Spielvergnügen
Konsequenter Schutz vor Verletzungen ist nicht nur eine Frage der Konstruktion, sondern immer auch der Qualität des Materials und der Verarbeitung. ACO SPORT® Elastic-Randsteine, seit Jahrzehnten in Sportstadien bewährt, garantieren als Randabschluß auf Spielplätzen und Sportnebenanlagen für Sicherheit und verringern das Unfallrisiko.
Ein fest im Polymerbetonträger eingegossenes Mehrkammer-Hohlprofil aus Gummi gewährleistet einen hohen Kraftabbau und sorgt dafür, dass Kinder und Sporttreibende bei Stürzen vor Verletzungen zuverlässig geschützt sind.
Verlegeplan ACO SPORT® Elastic-Randsteine/Sandfangrinnen für Beachvolleyballplätze
ACO SPORT Elastic Randsteine müssen in Beton verlegt werden, um eine Veränderung ihrer Lage zu verhindern. Nach dem Grabenaushub erfolgt die höhen- und fluchtgerechte Verlegung auf einem 10 cm starken Betonbett mit 8 cm breiten Seitenstützen aus mindestens C 12/15 nach EN 206-1.
ACO SPORT Elastic Sandfangrinnen werden zusammen mit den ACO SPORT Elastic Randsteinen in ein Betonbett aus mindestens C 12/15 eingebaut. Nach dem höhen- und fluchtgerechten Versetzen der Spielfeldeinfassungen folgt das Einbauen der Sandfangrinnen. Es ist darauf zu achten, dass mindestens eine vorgeformte Öffnung DN 100 pro Rinnenstrang geöffnet wird. Anschließend wird ein PVC-Rohr so in die Öffnung geschoben, dass das Rohr ca. 3 cm nach oben übersteht, damit kein Sand in die Rohrleitung gelangen kann. Details bitte der Einbauanleitung entnehmen.
| Pos. | Bezeichnung | Art.-Nr. | min. Stück | max. Stück |
|---|---|---|---|---|
| 1 | Randstein 100x40x6 cm, Gummi schwarz | 01037 | 68 | 92 |
| 2 | Randstein 50x40x6 cm, Gummi schwarz | 01574 | 4 | 4 |
| 3 | Winkel 25/25x40x6 cm, Gummi schwarz | 01042 | 4 | 4 |
| Alternativ: | ||||
| 1 | Randstein 100x40x6 cm, Gummi weiß | 00964 | 68 | 92 |
| 2 | Randstein 50x40x6 cm, Gummi weiß | 01572 | 4 | 4 |
| 3 | Winkel 25/25x40x6 cm, Gummi weiß | 00969 | 4 | 4 |
| 4 | Sandfangrinne Außenrinne 100x50 cm | 01475 | 68 | 92 |
| 5 | Sandfangrinne Außenrinne 56x50 cm | 01477 | 8 | 8 |
| Stw. | Stirnwand für Sandfangrinne | 15571 | 8 | 8 |



